Werbung
Für unsere Messungen im HDR-Betrieb nutzen wir Calman Ultimate von Portrait Displays. Die Messungen führen wir - wenn nicht anders angegeben - mit einer APL von 10 % durch. Das hat bei OLED-Geräten natürlich einen Einfluss darauf, welche Leuchtkraft wir in unseren Messungen ermitteln. Zusätzlich messen wir die maximale Leuchtkraft beginnend mit einer APL von 1 %.
HDR-Modi im Überblick
Gaming-HDR:
Dunkle Inhalte werden ein klein wenig zu hell dargestellt, während der Roll-off nur minimal zu früh erfolgt. Insgesamt sehen wir eine überzeugende Abstimmung.
Das gilt auch für unsere Messungen im ColorMatch-Test. Mit Luminanzfehler beträgt das gemittelte DeltaE gerade einmal 3,77, ohne landen wir sogar nur bei 2,81.
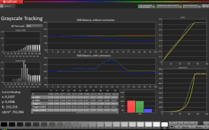
Gaming-HDR / Custom 100:
Aktivieren wir den anpassbaren Modus und drehen die Helligkeit auf Maximum, schlägt sich das deutlich im Greyscale-Tracking nieder. Wir sehen generell ein zu helles Bild. Der ColorMatch-Test bestätigt gleichzeitig nur minimal schlechtere Ergebnisse.
Cinema-HDR:
An dieser Stelle sehen wir keine wirklichen Unterschiede zum Gaming-Preset. Wir sehen etwas mehr Helligkeit, insgesamt bewegen wir uns aber auch hier auf einem Level, das im Bereich der Messgenauigkeit liegt.
Die Messungen im ColorMatch-Test sind ebenfalls fast identisch. Mit Luminanzfehler beträgt das gemittelte DeltaE 4,16, ohne sind es 3,02.
Console-HDR:
Der Console-HDR-Modus ist grundlegend anders abgestimmt als die anderen beiden Modi. Der Roll-off erfolgt hier sehr früh, sodass helle Inhalte grundlegend dunkler dargestellt werden.
Kleine Rückschritte gibt es auch an anderer Stelle, der Farbdarstellung. Im ColorMatch-Test messen wir ein DeltaE von 5,28, wenn der Luminanzfehler nicht berücksichtigt wird. Ist dies der Fall, kommen wir auf einen Wert von 3,55. Das sind noch immer ordentliche Ergebnisse. Die anderen Presets sind aber eben noch besser abgestimmt.
DisplayHDR 500 True Black:
Hier sehen wir erneut eine hervorragende Abstimmung, sogar mit einem noch besseren Roll-off. Eine zu dunkle Darstellung kann somit nicht beobachtet werden.
Die Farbdarstellung erreicht erneut passende Werte mit einem gemittelten DeltaE von 3,81 mit Luminanzfehler und 2,66 ohne.
DisplayHDR 500 True Black / Custom 100:
Wer das Custom Setting für die maximale Helligkeit aktiviert, verschenkt einiges an Präzision in der Abstimmung der PQ-Kurve. Die Darstellung wird generell zu hell.
Die Farbabstimmung ist erfreulicherweise dennoch gelungen: Gemittelt kommen wir auf ein Delta von 4,37 mit Luminanzfehler und 2,58 ohne.
HDR-Helligkeit
Nicht nur bei der SDR-Helligkeit bietet ASUS viele Optionen, auch bei der HDR-Helligkeit hat der Nutzer viele Optionen. Man sollte genau wissen, was vom Bild erwartet wird. ASUS schaltet in seinen HDR-Modi nicht automatisch die maximale Helligkeit frei, sondern verspricht die bestmögliche Abstimmung bei einem Betrieb, dessen Helligkeit deutlich unter dem liegt, was das Panel maximal kann. In einem Custom-Modus, der in den Settings hinterlegt ist, kann die maximale Helligkeit angepasst werden.
Exemplarisch haben wir dies für den Gaming-HDR- und den HDR500-True-Black-Modus ausprobiert. Während sich ansonsten alle Presets gleich verhalten, kann im Custom-Modus differenziert werden. Ohne Custom-Setting fällt die maximale Helligkeit im Bereich von 635 cd/m² unspektakulär aus. Durch das tiefe Schwarz wird dennoch eine erstklassige HDR-Performance geboten.
Was das Tandem-Panel wirklich kann, zeigt die maximale Helligkeitseinstellung. Während der HDR500-Modus nur marginal zulegt, zeigt der Gaming-Modus, wo der Hammer hängt. Heller war noch kein OLED-Gerät in unseren Tests. Allerdings kann die extreme Helligkeit nur bei einem sehr geringem Weiß-Anteil ausgefahren werden.
