Werbung
Für unsere Messungen im HDR-Betrieb nutzen wir Calman Ultimate von Portrait Displays. Die Messungen führen wir - wenn nicht anders angegeben - mit einer APL von 10 % durch. Das hat bei OLED-Geräten natürlich einen Einfluss darauf, welche Leuchtkraft wir in unseren Messungen ermitteln.
SDR-Messwerte: Standard-Modus
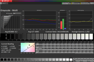
Vermessen haben wir den ASUS ROG Swift OLED PG27AQWP im Profil "Racing Mode".
Der Weißpunkt fällt mit 6.055 K ein gutes Stück zu warm aus. In der RGB-Balance ist gut zu erkennen, dass Blau über den gesamten IRE-Bereich unterrepräsentiert dargestellt wird.
Der sRGB-Farbraum wird natürlich vollständig abgedeckt, allerdings mit einer deutlichen Erweiterung im roten und grünen Spektrum, was zu einer deutlich sichtbaren Übersättigung führt. Da ASUS allerdings erlaubt, das Farbvolumen preset-unabhängig zu begrenzen, kann dies schnell geändert werden.
Das Graustufen-DeltaE liegt auf einem durchschnittlichen Niveau – wir messen einen Wert von 4,4. Der übergroße Farbraum wirkt sich auf den ColorChecker-Test aus. Das gemittelte DeltaE beträgt 4,55, das Maximum 10,07.
SDR-Messwerte: Racing Modus mit sRGB-Gamut
Der Weißpunkt verändert sich gegenüber dem Setting mit nativem Farbvolumen kaum, wir landen bei 6.038 K.
Leider ist der sRGB-Farbraum nicht ideal abgestimmt, denn wir messen lediglich eine Abdeckung von 93,2 %. Das kann das Panel eigentlich besser. Zumindest die deutliche Übersättigung wird so aber unterbunden.
Das Graustufen-DeltaE beträgt 4,3, auch hier gibt es also keine wirklichen Unterschiede. Die grundlegend bessere, wenn auch nicht optimale Abstimmung des Farbraums macht sich im Color-Checker-Test bemerkbar. Das gemittelte DeltaE sinkt deutlich und landet nun bei guten 2,33. Bei der Sättigungsmessung sehen wir ähnliche Fortschritte. Das gemittelte DeltaE beträgt 2,59, das Maximum beträgt 7,19.
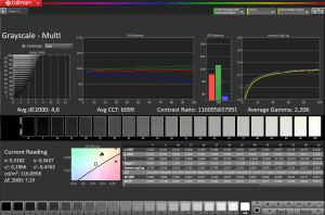
SDR-Messwerte: sRGB-Preset
Leider sehen wir im sRGB-Preset keinen wirklichen Fortschritt, wenn es um den Weißpunkt geht. Wir messen einen Wert von 6.099 K, das Bild ist also noch immer zu warm abgestimmt.
Der Farbraum ist etwas besser abgestimmt als in der vorherigen Messung. Ein Wert von 95,5 % lässt aber erneut Luft nach oben.
Der nicht optimale Weißpunkt wirkt sich auf das Graustufen-DeltaE aus, das bei 4,6 liegt. Im ColorChecker-Test messen wir ein gemitteltes DeltaE von 2,41 und ein Maximum von 7,17. Bei den Messungen zu Sättigung sehen wir ähnliche Ergebnisse.
Messungen: Farbvolumen
Ab diesem Test werden wir das Farbvolumen der Geräte in einer separaten Kategorie angeben. Gemessen werden BT.709, DCI-P3 und BT2020.
Das Panel kann mit einem großen Farbvolumen aufwarten, wie wir es bei der aktuellen OLED-Generation schon oft gesehen haben, sowohl sRGB als auch DCI werden sehr sicher abgedeckt.
| Farbraum | Farbvolumen |
| BT.709 | 164,409 % |
| DCI-P3 | 110,187 % |
| BT.2020 | 74,834% |
Farbstabilität über das Panel
Es kommt nicht nur darauf an, wie gleichmäßig die Helligkeit auf einem Panel verteilt wird, sondern auch darauf, dass die Farben überall gleich aussehen. Dies stellen wir hier anhand der DeltaE-Verteilung dar.
Die Farbstabilität befindet sich auf einem hohen Niveau. Die maximale Abweichung liegt gerade einmal bei DeltaE 1,3. Unterschiede fallen so mit dem bloßen Auge nicht auf.
