[Sammelthread] NVIDIA GeForce GTX 680 + FAQ & OC-Benches - bei Fragen erste Seite lesen

NVIDIA GeForce GTX 680 Sammelthread​



Impressionen der Karte:

gtx680-01-rs.jpg
gtx680-02-rs.jpg

gtx680-03-rs.jpg
gtx680-04-rs.jpg

gtx680-05-rs.jpg
gtx680-07-rs.jpg

gtx680-08-rs.jpg
gtx680-09-rs.jpg

gtx680-10-rs.jpg
gtx680-11-rs.jpg

gtx680-12-rs.jpg
gtx680-13-rs.jpg

gtx680-15-rs.jpg
gtx680-17-rs.jpg



Bild und Hinweis zum verbauten GDDR5 VRAM (Hynix H5GQ2H24MFR-R0C):

hynixh5gq2h24mfr-r0cgxf4sa.jpg


Hinweise: Der Hynix GDDR5 VRAM (vermutlich 0,3 ns) ist für 1500 MHz Realtakt spezifiziert und wird mit 1,6V betrieben. Dieser fand etwa auch schon bei der Radeon HD 7970 Verwendung.


Unboxing-Bilder meiner ersten Zotac GeForce GTX 680:




Vergleich GeForce GTX 680 zu GeForce GTX 580:






Technische Daten der GeForce GTX 680

  • GPU = GK104
  • Fertigung = 28 nm (TSMC)
  • Transistoren = 3,54 Milliarden
  • Die-Größe = 294 mm²
  • Chiptakt = 1006 MHz (mit Boost zwischen 1058 bis 1110 MHz)
  • Shadertakt = (mit Boost zwischen 1058 bis 1110 MHz)
  • Speichertakt = 1502 MHz
  • Speichergröße = 2048 MB nach Referenz (8 x 256 MB; 4096 MB durch Boardpartner möglich -> 16 x 256 MB)
  • Speichertyp = GDDR5 (Hynix auf 6.0 Gbps bzw. 1500 MHz spezifiziert, vermutl. 0,3 ns => effektiv 1,2 ns)
  • Speicherinterface = 256 Bit
  • Speicherbandbreite = 192,256 GB/s
  • Shader Model = 5.0
  • DirectX = 11.1
  • Shader-Einheiten = 1536 (1D)
  • SMX Einheiten (weiterentwickelte Streaming Multiprocessors; je 192 (1D) Shader pro SMX) = 8
  • Texture Mapping Units (TMUs) = 128
  • Raster Operations (ROPs) = 32
  • Rechenleistung Single Precision (SP) (MADD) = 3090,432 GFlops (ohne Boost)
  • Rechenleistung Double Precision (DP) (MADD) = ~ 128,768 GFlops -> 1/24 SP Leistung bei GK104
  • Pixelfüllrate = 32,192 GPixel/s (ohne Boost)
  • Texelfüllrate = 128,768 GTexel/s (ohne Boost)
  • maximale Leistungsaufnahme 3D inkl. Boost und mit Power Target @ 100 % (TDP) = 195 Watt
  • durchschnittliche Leistungsaufnahme 3D = 170 Watt (schwankt je nach Spiel/GPU-Auslastung -> Boost oder eben auch Taktabsenkung ohne manuell festgelegte Target-fps)
  • maximale Leistungsaufnahme 2D = 15 Watt
  • Stromaufnahme >= 150 Watt (Versorgung über 2 x 6 Pin PCIe Anschluss)
  • Anschlussmöglichkeiten = 2 x DVI (Dual-Link), 1 x HDMI 1.4a, 1 x DisplayPort 1.2 (unterstützt 4 Monitore gleichzeitig, also auch 3D Vision Surround per DVIs und HDMI und ein Monitor in Windows per DisplayPort bzw. DP-Adapter!)
  • Die Karte besitzt Shader Model 5.0, das heißt sie hat volle DX11.1 und auch OpenGL 4.2 Unterstützung!
  • -
  • -
  • 65 mm Radiallüfter
  • Taktraten Idle (1 Monitor) Chip/Speicher - P8 = 324/162 MHz @ 0,987V
    Taktraten Low-3D (1 Monitor) Chip/Speicher- P5 = 540/405 MHz @ 0,987V
  • Taktraten Idle/Low-3D (2 bis 4 Monitore) Chip/Speicher - P2 = 550/1502 MHz @ 0,987V (angeblich sogar doch nur im P8, zumindest die meiste Zeit)


Kurzvorstellung der GeForce GTX 680 seitens NVIDIA:

NVIDIA GeForce GTX 680 Release Video - YouTube


GeForce GTX 680 Wallpaper: klick


Einige Tests der Karte (SLI Tests, Einzelkartentests):
Code:
 [LIST]
[*][B][COLOR="red"]SLI-Tests[/COLOR]:[/B] 
[*].
[*]deutsch:
[*].
[*][url="http://ht4u.net/reviews/2012/nvidia_geforce_gtx_680_kepler_sli_evga_zotac_test/"]HT4U - GeForce GTX 680 SLI (EVGA und Zotac)[/url]
[*][url="http://www.computerbase.de/artikel/grafikkarten/2012/kurztest-gtx-680-sli-vs.-hd-7970-cf/"]ComputerBase - GeForce GTX 680 SLI gegen Radeon HD 7970 CFX (Kurztest) inkl. Surround-Gaming[/url]
[*].
[*].
[*]englisch:
[*].
[*][url="http://nl.hardware.info/reviews/2641/nvidia-geforce-gtx-680-quad-sli-review-english-version"]HardwareInfo - GeForce GTX 680 4-Way SLI und SLI[/url]
[*][url="http://www.guru3d.com/article/geforce-gtx-680-3way-sli-review/"]Guru3D - GeForce GTX 680 3-Way SLI[/url]
[*][url="http://www.guru3d.com/article/geforce-gtx-680-sli-review/"]Guru3D - GeForce GTX 680 SLI[/url]
[*][url="http://www.hardocp.com/article/2012/03/28/nvidia_kepler_geforce_gtx_680_sli_video_card_review/1"][H]ard|OCP - GeForce GTX 680 SLI[/url]
[*][url="http://www.hardwareheaven.com/reviews/1453/pg1/zotac-geforce-gtx-680-graphics-card-sli-performance-review-introduction.html"]HardwareHeaven - Zotac GeForce GTX 680 SLI inkl. Surround[/url]
[*][url="http://www.guru3d.com/article/geforce-gtx-680-sli-review/"]Guru3D - Zotac GeForce GTX 680 SLI[/url]
[*][url="http://www.techpowerup.com/reviews/ASUS/GeForce_GTX_680_SLI/"]TechPowerUp! - ASUS GeForce GTX 680 SLI[/url]
[*][url="http://www.youtube.com/watch?v=kEPL1SilkJ8"]Newegg.TV - GeForce GTX 680 Vorstellung inkl. (SLI-) Synthetische Benchmarks (3DM11, Vantage und Heaven 2.5 ab 4:30 Min.[/url]
[*].
[*].
[*].[*][B]Einzelkartentests - [COLOR="red"]Referenz-Design[/COLOR]:[/B]
[*].
[*]deutsch:
[*].
[*][url="http://www.hardwareluxx.de/index.php/artikel/hardware/grafikkarten/21816-test-nvidia-geforce-gtx-680.html"]HardwareLUXX - NVIDIA GeForce GTX 680 [/url]
[*][url="http://www.computerbase.de/artikel/grafikkarten/2012/test-nvidia-geforce-gtx-680/"]ComputerBase - NVIDIA GeForce GTX 680[/url] 
[*][url="http://www.pcgameshardware.de/aid,873907/Test-Geforce-GTX-680-Kepler-GK104/Grafikkarte/Test/"]PCGH - NVIDIA GeForce GTX 680[/url]
[*][url="http://www.tomshardware.de/geforce-gtx-680-test-benchmarks-Kepler-GK104,testberichte-240979.html"]Tom's Hardware - NVIDIA GeForce GTX 680[/url]
[*][url="http://www.gamestar.de/index.cfm?pid=1589&pk=65407"]GameStar - NVIDIA GeForce GTX 680 Video-Test (8:49 Min.)[/url]
[*].
[*].
[*]englisch:
[*].
[*][url="http://www.hardwarecanucks.com/forum/hardware-canucks-reviews/52616-nvidia-geforce-gtx-680-2gb-review.html"]Hardware Canucks - NVIDIA GeForce GTX 680[/url]
[*][url="http://www.guru3d.com/article/geforce-gtx-680-review/"]Guru3D - NVIDIA GeForce GTX 680[/url]
[*][url="http://www.anandtech.com/show/5699/nvidia-geforce-gtx-680-review"]Anandtech - NVIDIA GeForce GTX 680 [/url]
[*][url="http://www.hardwareheaven.com/reviews/1452/pg1/nvidia-geforce-gtx-680-kepler-graphics-card-review-introduction.html"]HardwareHeaven - NVIDIA GeForce GTX 680 inkl. Surround[/url]
[*][url="http://www.techpowerup.com/reviews/NVIDIA/GeForce_GTX_680/"]TechPowerUp! - NVIDIA GeForce GTX 680[/url]
[*][url="http://www.hardocp.com/article/2012/03/22/nvidia_kepler_gpu_geforce_gtx_680_video_card_review"][H]ard|OCP - NVIDIA GeForce GTX 680[/url]
[*][url="http://www.pcper.com/reviews/Graphics-Cards/NVIDIA-GeForce-GTX-680-2GB-Graphics-Card-Review-Kepler-Motion"]PC Perspective - NVIDIA GeForce GTX 680[/url]
[*][url="http://www.youtube.com/watch?v=ER3nv7NTwbs"]PC Perspective  - Live-Review Stream: NVIDIA GeForce GTX 680 mit Tom Petersen (Director of Technical Marketing bei NVIDIA) (1:49:52 Std.)[/url]
[*][url="http://www.overclock3d.net/reviews/gpu_displays/nvidia_gtx680_review/1"]Overclock3D - NVIDIA GeForce GTX 680[/url]
[*][url="http://www.youtube.com/watch?v=Y8RZDPjMttY&feature=player_embedded"]Overclock3D TV - NVIDIA GeForce GTX 680 (39:30 Min.)[/url]
[*][url="http://www.legitreviews.com/article/1881/1/"]Legit Reviews - NVIDIA GeForce GTX 680[/url]
[*]. 
[*]. 
[*][B]Einzelkartentests - [COLOR="Red"]OC bzw. Non-Referenz-Design (bzw. meist PCB im Referenzdesign, aber anderer Kühler) [/COLOR]:[/B]
[*].
[*]deutsch:
[*].
[*][url="http://www.hardwareluxx.de/index.php?option=com_content&view=article&id=22051  &catid=74&Itemid=170"]HardwareLUXX - Palit GeForce GTX 680 JetStream[/url]
[*][url="http://www.tomshardware.de/Gigabyte-GTX-680-Windforce-X3,testberichte-240990.html"]Tom's Hardware - Gigabyte GeForce GTX 680 OC Windforce X3 (GV-N680OC-2GD)[/url]
[*].
[*].
[*]englisch:
[*].
[*][url="http://www.hardwarecanucks.com/forum/hardware-canucks-reviews/53144-evga-geforce-gtx-680-sc-review.html"]Hardware Canucks - EVGA GeForce GTX 680 SC+ (2GB)[/url]
[*][url="http://www.guru3d.com/article/gigabyte-geforce-gtx-680-oc-edition-review/"]Guru3D - Gigabyte GeForce GTX 680 OC Edition (2GB)[/url]
[*][url="http://www.guru3d.com/article/palit-geforce-gtx-680-jetstream-review/"]Guru3D - Palit GeForce GTX 680 JetStream 2GB [/url]
[*][url="http://www.hardwareheaven.com/reviews/1461/pg3/palit-geforce-gtx-680-jetstream-edition-graphics-card-review-the-card.html"]Hardware Heaven - Palit GeForce GTX 680 JetStream 2GB[/url]
[*][url="http://www.hardwareheaven.com/reviews/1461/pg3/palit-geforce-gtx-680-jetstream-edition-graphics-card-review-the-card.html"]Hardware Heaven - Palit GeForce GTX 680 JetStream 2GB[/url]
[*][url="http://translate.google.de/translate?hl=de&sl=zh-CN&tl=en&u=http%3A%2F%2Fwww.expreview.com%2F19011.html"]EXPreview - Zotac GeForce GTX 680 Extreme Edition (Kurz-Review -> Google Translator @ englisch)[/url]
[*].
[/LIST]



Geizhals Links:

Code:
[URL=" "]HardwareLUXX Preisvergleich - GeForce GTX 680[/URL]



Treiber & nützliche Tools:

Alle Infos über die aktuellen Treiber für Windows XP/7/Vista sowie weitere OS und nützliche Tools findet ihr in diesem Thread hier



nVidia Techdemos:

Code:
[LIST]

[*]        [URL="http://www.youtube.com/watch?v=2Fp5N-pOxKA"]NVIDIA CUDA/PhysX-Kepler-Techdemos - Pillars (dynamische Zerstörung dank PhysX) & Fur (aufwendige Echtzeit Haarsimulation)[/URL]
[*]        [URL="http://www.nvidia.de/object/cool_stuff_de.html#/demos/2678"]Alien vs. Triangles[/URL]
[*]        [URL="http://www.nvidia.de/object/cool_stuff_de.html#/demos/2664"]Endless City[/URL]
[*]        [URL="http://www.nvidia.de/object/cool_stuff_de.html#/demos/2123"]Supersonic Sled[/URL]
[*]        [URL="http://www.nvidia.de/object/cool_stuff_de.html#/demos/2122"]Design Garage[/URL]
[*]        [URL="http://downloads.guru3d.com/downloadget.php?id=2541&file=4&evp=ff4e7fdf8c5ee9708ad2a45af75af3d7"]Hair-Demo[/URL]
[*]        [URL="http://downloads.guru3d.com/downloadget.php?id=2542&file=4&evp=152d5d1b601f30588c6b1029baf59fb2"]Island-Demo[/URL]
[*] . 
[*]        [B]Noch nicht als Download verfügbar:[/B]
[*]        [URL="http://www.hardwareluxx.de/index.php/downloads/software/systemutilities/doc_details/140-ragingrapidsride.html"]Raging Rapid Ride[/URL]
[*]        NVIDIA GF100 Fluids (PhysX Based Water) Demo 
[/LIST]


Weitere DX11 Benchmarks / Techdemos:
Code:
[LIST]

[*]        [URL="http://www.hardwareluxx.de/index.php/downloads/benchmarks/3d-grafik/doc_download/166-futuremark-3dmark-11.html"]Futuremark 3D Mark 11 (Basic Edition)[/URL]

[*]        [URL="http://www.techpowerup.com/downloads/2111/Unigine_Heaven_DX11_Benchmark_3.0.html"]Unigine Heaven 3.0 Benchmark[/URL]

[*]        [URL="http://www.hardwareluxx.de/index.php/downloads/benchmarks/3d-grafik/doc_download/170-unigine-heaven-25.html"]Unigine Heaven 2.5 Benchmark[/URL]

[*]        [URL="http://www.techpowerup.com/downloads/1799/Unigine_Heaven_DX11_Benchmark_2.1.html"]Unigine Heaven 2.1 Benchmark[/URL]

[*]        [url="http://www.pcgameshardware.de/aid,745728/Download-Stone-Giant-Sehenswerte-DirectX-11-Techdemo-fuer-HD-5000-und-GTX-400/Benchmark/Download/#dl_anchor"]Stone Giant 1.0 Techdemo (leider keine Benchmark Auswertung a la Heaven  integriert -> per OSD via FRAPS lassen sich z.B. zusätzlich auch min. und max. fps aufzeichnen, Stone Giant kann nur current & avg. fps ! ;))[/URL]
[*]         .
[*]         [B]Hinweis zur Bedienung in Stone Giant: Wichtigste Tasten -> F1 (Wireframe Modus ON/OFF), F2 (Tesselation Modi), F3 (Diffusion DoF (Depth of Field =   Tiefenunschärfe) ON/OFF), F4 (current & avg. fps Counter ON/OFF), Pfeiltasten + Maus = freier Flug, ENTER = Benchmark Run) [/B]
[*]         .
[*]        [URL="http://www.pcgameshardware.de/aid,699738/DirectX-11-Benchmark-Stalker-Call-of-Pripyat-Update-1080p-Youtube-Video-zeigt-DX9-bis-DX11-im-Direktvergleich/Benchmark/Download/#dl_anchor"]S.T.A.L.K.E.R. - Call of Pripyat Benchmark-Tool (getestet wird Day, Night (Gewitter), Rain und Sun - Ergebnisse als min., avg. und max. fps) [/URL]

[*]        [url=http://downloads.guru3d.com/Aliens-vs.-Predator-DirectX-11-Benchmark-Tool-download-2553.html]Aliens vs. Predator DirectX 11 Benchmark Tool[/url]
[*]        [url=http://downloads.guru3d.com/Lost-Planet-2-Benchmark-download-2607.html]Lost Planet 2 Benchmark[/url]

[/LIST]



Hinweise zu nützlichen Tools:

Report zur Benutzung des NVIDIA Inspectors (Monitoring, OC & Treiberprofileinstellungen inkl. forciertem AA, SGSSAA usw.:

Report: "NVIDIA Inspector" Grafikkarten-Tweaktool | 3DCenter.org

Hinweise zu EVGA PrecisionX 3.0.0 Beta 20:
Dies ist die erste Boardpartner-Software, die die GeForce GTX 680 vollständig unterstützt. Dementsprechend sehen auch die Optionen im neu gestallteten GUI aus. Zum jetzigen Zeitpunkt noch Non-Public.

GTX 680 OC.jpg

evga-precision-2.jpg


Bei Power Target stellt man ein, ob die Verbrauchsgrenze höher oder niedriger sein soll. Basis ist hierbei 100 % (entspricht der TDP von 195 Watt). Man kann zwischen 70 bis 130 % (70 % = 136,5W, 100 % = 195W, 130 % = 253W) wählen. Bei CPU Clock Offset wird sowohl der Basistakt, als auch der GPU Boost erhöht. Bei Memory Offset ist zu beachten, dass der GDDR5 Realtakt genau die Hälfte ist (hier findet also wie meist bei den Tools üblich ein Vergleich auf GDDR3 statt). Das Maximum der Spannung liegt - zumindest ohne einen wohlmöglichen BIOS-Unlock - bei 1,150V. Die VCore wird über Adjust Voltage eingestellt. Die besten Overclocking-Werte werden erziehlt, wenn man Power Target auf + 30 % setzt, womit die Karte bis zu 253 Watt aufnehmen kann, und dies mit einer Erhöhung der VCore kombiniert.

OC Beispiel an unserem Testsample - höchste stabile Taktraten:

Power Target: + 30 % auf 130 % (neue Grenze nun bei 253W)
VCore: auf 1,150V (mit maximalem Boost 1,175V)
GPU Clock Offset: + 177 MHz (-> default nun: 1183 MHz, maximaler Takt inkl. GPU Boost: 1280 MHz, also + 97 MHz)
Memory Offset: + 274 MHz (-> ~ + 137 MHz GDDR5 Realtakt -> 1638 MHz GDDR5 == 3278 MHz GDDR3)


Download: EVGA Precision X 3.0.1


Hinweise zu MSI Afterburner:

Mit am 20.03.2012 erschienen Version 2.2.0 Beta 15 unterstützt der Afterburner nun auch die GeForce GTX 680. Die OC Settings selber dürften wie bei PrecisionX ausfallen - stammen beide Tools doch von Unwinder.

Voltage Regelung freischalten: Settings -> " Unlock voltage control " & "Unlock voltage monitoring" aktivieren.



Overclocking generell:
Coretakt = Shadertakt (es gibt bei Kepler keinen sogenannten Hotclock mehr)

Power Target kann unter Settings -> General eingestellt werden - dies ist in Precision X komfortabler gelöst!


Individuelle Lüftersteuerung in Windows:





NVIDIA Inspector 1.9.6.1 Beta

nvidia_20120331_110723.png


Von der Bedienung, bis auf die Tatsache, dass in P0-State (Volllast) und somit auch automatisch auch im P2-State noch ein Voltage Offset gesetzt werden kann, gibt es keine Unterschiede beim OC im Vergleich zu den Tools von Unwinder. Mit dem "P2-State-Trick", siehe How-To's, kann man innerhalb der gesetzten TDP einen erhöhten Base Clock ohne schwankenden GPU Boost fahren. :)



How To's:

Code:
[LIST]
[URL="http://www.hardwareluxx.de/community/f14/nvidia-geforce-gtx-680-faq-oc-benches-bei-fragen-erste-seite-lesen-880765-41.html#post18662033"]Overclocking: [COLOR="Green"][B]Mit NVIDIA Inspector P2-State fixieren, um GPU Boost, sofern innerhalb der TDP, zu deaktivieren[/COLOR][/URL][/B]


[URL="http://www.abload.de/img/inspectormdpsera5r.png"]Multi-Monitoring: [COLOR="Green"][B]NVIDIA Inspector MDPS (Multi Display Power Saver) nutzen (auch bei 1 Monitor  und 120Hz empfehlenswert für konstanten P8-State)[/COLOR] 
[/B] [/URL]
[/LIST]




Aufruf in eigener Sache zum Sharing eurer GTX 680 BIOS-Files - eventuell können wir sie ja doch noch gebrauchen: klick




FAQ (Frequently Asked Questions):


Wie laut ist die Karte?
  • Standardmäßig kommt die GTX 680 mit einem Kühler, in dessen Grundplatte drei Heatpipes eingearbeitet sind - die Wärme wird dann von dieser über viele feine Aluminium-Lamellen abgegeben, die sich im Luftstrom des Radiallüfters hin zur Slotblende befinden. Die Karte verfügt außerdem über eine Grundplatte zum passiven Kühlen von VRAM und Spannungswandlern besitzt. Der Radiallüfter hat, wie bei den auf GF100 basierenden Karten, zwar nur einen Durchmesser von 65 mm - dieser soll nun aber aus lärmdämmenden Materialen gefertigt sein, was den störende Frequenzen für den User unterbinden soll. Das Referenzdesign der GTX 680 setzt gegenüber den anderen Testprobanden sogar neue Maßstäbe in Sachen Laustärke im Idle (34,8 dB(A)). Unter Last liegt man mit 51,4 dB(A) im guten Mittelfeld - nur minimal hinter beiden Radeon HD 7800 Karten (je 51,2 dB(A)).

    mess5.jpg
    mess6.jpg


    Für die die Last-Verbrauchs- und Lautstärkemessungen nutzen wir Crysis 2. Letztere führen wir mit einer Messempfindlichkeit zwischen 30 bis 70 dB(A) im Abstand von 30 cm zu den Grafikkarten im offenen Gehäuse durch.



Wie hoch sind die Temperaturen der Karte?
  • Im Idle wird die Karte 36 °C warm, unter Last sind es - wohl aufgrund der Lautstärkeoptimierungen - immer noch, für diese Leistungsklasse, ordentliche 80 °C.

    mess3.jpg
    mess4.jpg


    Für die Messung der Temperaturen und Lautstärke wählten wir einen Durchlauf in Battlefield 3 in maximaler Auflösung und bei maximalen Einstellungen für die Darstellungsqualität.


Taktdomänen GTX 680:

GTX 680 - Taktdomänen:

  • Idle (1 Monitor) - P8: 324/162 MHz @ 0,987V
    Low-3D (1 Monitor) - P5: 540/405 MHz @ 0,987V
    Idle/Low-3D (2 bis zu 4 Monitore) - P2: 550/1502 MHz @ 0,987V (E: angeblich sogar doch nur im P8, zumindest die meiste Zeit)
    Volllast (1 Monitor bis 4 Monitore wenn * nicht gegeben) - P0: 1006/1502 MHz (ohne Boost)


Wie hoch ist der Stromverbrauch?
  • Hinweis: Die Verbrauchsmessungen (Karte only) stammen von PCGH -> klick

    Die GeForce GTX 680 hat laut NVIDIA einen Idle-Stromverbrauch von gerade einmal 15 Watt (15 Watt auch beim PCGH-Testsample). Unter Last nimmt die Karte (PCGH-Testmuster) 174 Watt auf. Dazu muss bei Kepler aber gesagt werden, dass eine Lastmessung wie bisher nicht mehr möglich ist. Standardmäßig wirkt bei vorhandenen TDP-Reserven und wichtigen Titeln oder Benchmarks der GPU Boost (1058 bis 1110 MHz), oder aber - wenn man einen Titel mit extrem hohen fps hat - wird der Coretakt gedrosselt um den Verbrauch zu senken, sofern man dies nicht über den optional vorhandenen Framelimiter verhindert.


    Hier unsere Messungen (gesamtes System):

    mess1.jpg
    mess2.jpg


    Das System verbraucht im Idle mit der GTX 680 recht wenig und liegt knapp hinter der HD 7870. Unter Last fällt der Systemverbrauch mit der GTX 680 (363 Watt) minimal geringer als mit der Radeon HD 7970
    (366,4 Watt) aus. Somit kann gesagt werden, dass NVIDIA die Effizienz im Vergleich zu Fermi deutlich steigern konnte und nun auf einem Level mit der Konkurrenz liegt.
    NVIDIA spricht von der doppelten Performance/Watt im Vergleich zur GeForce GTX 580.

    Wichtiger Hinweis: Die Verbrauchsmessungen sind immer von den eingesetzten Komponenten, etwa dem Netzteil, abhängig und somit eher als Anhaltspunkt zu sehen.


    Verwendetes Testsystem:

    testsystemgtx680lhjz0.png




Passt die Karte in mein Gehäuse?

  • Die Länge der Karte ist genau 10" (Zoll), also 25,4 cm, und damit ist die GeForce GTX 680 etwas länger als die Radeon HD 7870 (9,5", also 24,13 cm). Somit dürfte die GeForce GTX 680 ohne Probleme in die meisten User-Gehäuse passen. Wie üblich, setzt man auf ein Dual-Slot-Design, allerdings sitzen beide PCI-E 6-Pin Buchsen nun treppenartig übereinander, was Single-Slot-Lösungen auf Basis einer Wasserkühlung nicht zulässt - es sei denn manche Boardpartner bringen Karten mit konservativen PCI-E-Buchsen nebeneinander.



Ist es möglich, die Tonformate Dolby TrueHD und DTS HD per Bitstream wiederzugeben?
  • Die GTX 680 (GK104) unterstützt die Wiedergabe der HD-Tonformate im Bitstream über den HDMI-Ausgang.
    Dafür ist aber unter Umständen die passende Software - etwa die neuste Version von Cyberlinks PowerDVD notwendig.

    Update: Das kostenlose ffdshow (die aktuelle Version ist das erweiterte ffdshow tryouts) ermöglicht ebenfalls die Ausgabe per Bitstream -> Guide



Die Performance:
  • Wie man sieht, ordnet sich die GeForce GTX 680 aktuell im High-End-Segment ein und beerbt damit die GeForce GTX 580 offiziell. Die Performance liegt in unseren Benchmarks zumeist oberhalb der Radeon HD 7970. Somit ist die Karte für User geeignet, die keine Kompromisse in den einstellbaren Qualitätssettings haben möchten und könnte auch Enthusiasten, die lieber zur GeForce als ezwa zu einer HD 7970 greifen möchten, als Übergangslösung bis zum GK110-Launch dienen. Später soll es durch die Boardpartner auch Modelle mit 4 GB GDDR5 geben.

    Weitere Details zur Ausführung der Benchmarks aus dem aktuellen HardwareLUXX-Review:

    Der Artikel basiert auf folgenden Karten seitens der GeForce GTX 680:

    NVIDIA GeForce GTX 680 (Referenz).

    Benutzte Auflösungen sind 1680x1050 4xAA/16xAF & 8xAA/16xAF, über 1920x1200 4xAA/16xAF & 8xAA/16xAF
    bis hin zu 2560x1600 4xAA/16xAF & 8xAA/16xAF. Teilweise kam auch 1xAA/16xAF zum Einsatz, Rage unterstützt asu Grünen der Kompatibilität nur 4xAF.

    Gebencht wird auf folgendem System:

    testsystemgtx680lhjz0.png



    Im Artikel vertreten sind folgende synthetische Benchmarks & Game-Benchmarks:

    Synthetische Benchmarks: Futuremark 3D Mark 11 sowie LuxMark 2.0
    Game-Benchmarks: Anno 2070 (DX11), Battlefield 3 (DX11), Call of Duty: Modern Warfare 3 (DX9), Crysis Warhead (DX10), Crysis 2 (DX11),
    Metro 2033 (DX11), Rage (OpenGL), The Elder Scolls V: Skyrim (DX9) sowie The Witcher 2 (DX9)


    Hier gibt es alle Benchmarks -> klick -> HARDWARELUXX-Artikel-Linkhttp://www.hardwareluxx.de/index.ph...karten/21816-test-nvidia-geforce-gtx-680.htmlhttp://www.hardwareluxx.de/index.ph...karten/21816-test-nvidia-geforce-gtx-680.htmlhttp://www.hardwareluxx.de/index.ph...karten/21816-test-nvidia-geforce-gtx-680.html




Kleiner Ausschnitt aus dem Artikel:


Synthetische Benchmarks:


3dmark2.jpg
3dmark3.jpg





Game-Benchmarks:

bf4.jpg
bf6.jpg


crysis2-4.jpg
crysis2-6.jpg


metro4.jpg
metro6.jpg


skyrim4.jpg
skyrim6.jpg




Overclocking-Tests

Generelles zum Overclocking:
Die Karten sind, wie auch schon die Vorgänger auf Fermi-Basis sehr taktfreudig. Der neue 28nm-Prozess trägt hier seinen Teil bei.
Bei Power Target stellt man ein, ob die Verbrauchsgrenze höher oder niedriger sein soll. Basis ist hierbei 100 % (entspricht der TDP von 195 Watt). Man kann zwischen 70 bis 130 % (70 % = 136,5W, 100 % = 195W, 130 % = 253W) wählen. Bei CPU Clock Offset wird sowohl der Basistakt, als auch der GPU Boost erhöht. Bei Memory Offset ist zu beachten, dass der GDDR5 Realtakt genau die Hälfte ist (hier findet also wie meist bei den Tools üblich ein Vergleich auf GDDR3 statt). Das Maximum der Spannung liegt - zumindest ohne einen wohlmöglichen BIOS-Unlock - bei 1,150V. Die VCore wird über Adjust Voltage eingestellt. Die besten Overclocking-Werte werden erziehlt, wenn man Power Target auf + 30 % setzt, womit die Karte bis zu 253 Watt aufnehmen kann, und dies mit einer Erhöhung der VCore kombiniert.

OC Beispiel an unserem Testsample - höchste stabile Taktraten:

GTX 680 OC.jpg

Power Target: + 30 % auf 130 % (neue Grenze nun bei 253W)
VCore: auf 1,150V (mit maximalem Boost 1,175V)
GPU Clock Offset: + 177 MHz (-> default nun: 1183 MHz, maximaler Takt inkl. GPU Boost: 1280 MHz, also + 97 MHz)
Memory Offset: + 274 MHz (-> ~ + 138 MHz GDDR5 Realtakt -> 1638 MHz GDDR5 == 3278 MHz GDDR3)

Overclocking-Benchmarks mithilfe von EVGA PrecisionX 3.0.0 Beta 20:

Referenztakt bei den Benchmarks: 1006/1502 MHz (mit Boost zwischen 1058 und maximal 1110 MHz Coretakt)



Stabile Taktraten unseres Testsamples: 1280/1638 MHz (inkl. maximalen GPU Boost)

Unterschied der Taktraten in %:
Coretakt (default bis max. Boost per OC): + 27,2 % (Minimum + 17,6 % ausgehend von 1006 MHz + 177 MHz; ohne aktiven GPU-Boost)
VRAM-Takt: + 9,1 %


Fazit: Wie man sieht, steigt die Performance etwas an, aufgrund der schon recht hohen Basistaktraten, hält sich der Gewinn aber in Grenzen - hier wird sich zeigen, ob mit OC-Versionen und aufgewerteten PCBs sowie alternativen Kühlmethoden mehr drin ist :


Synthetische Benchmarks:

3dmark2.jpg
vs.
oc1.jpg

Performance: + 8,5 %


Game Benchmarks:

bf6.jpg
vs.
oc2.jpg

Performance: + 7,8 %

vs.
oc3.jpg

Performance: + 8,1 %

crysis2-6.jpg
vs.
oc4.jpg

Performance: + 8,2 %


Unterschied beim Lastverbrauch (gesamtes System):

mess2.jpg
vs.
oc5.jpg

Verbrauch: + 7,1 %

Wichtiger Hinweis: Die Verbrauchsmessungen sind immer von den eingesetzten Komponenten, etwa dem Netzteil, abhängig und somit eher als Anhaltspunkt zu sehen
- so ist es möglich, dass die Verbrauchswerte von anderen Redaktionen unterschiedlich ausfallen, selbst wenn auch ein ähnliches LGA 2011 System verwendet wurde
.



testsystemgtx680lhjz0.png


HardwareLUXX - User-OC-Werte (nicht nur Furmark stable) in MHz - inkl. 3D Mark Vantage & 3D Mark 11 User-Liste



Beispielschema von OliverM84:

1200 GPU | 1502 Speicher | 1,150V | VID 1,100V | EVGA | WaKü/LuKü | Username


12xx GPU | 17xx Speicher | 1,150V | VID 1,100V | Gigabyte | LuKü | Hardware LUXX



3DMark Vantage - Performance (PhysX On)

Vantage Score | GPU Takt | Speicher Takt | GPU VCore | VID | Hersteller | WaKü oder LuKü | Username mit Link | Treiber


52791 | 1006 | 1502 | 1,150V | 1,087V + 1,125V | Zotac SLI | LuKü | Edgecrusher86 | 301.10 WHQL


3DMark Vantage - Performance (PhysX Off)

Vantage Score | GPU Takt | Speicher Takt | GPU vcore | VID | Hersteller | WaKü oder LuKü | Username mit Link | Treiber


41955 | 1121 | 1617 | 1,150V | 1,087V + 1,125V | Zotac SLI | LuKü | Edgecrusher86 | 301.10 WHQL
41008 | 1006 | 1502 | 1,150V | 1,087V + 1,125V | Zotac SLI | LuKü | Edgecrusher86 | 301.10 WHQL


3DMark Vantage - Extreme (PhysX On)

Vantage Score | GPU Takt | Speicher Takt | GPU vcore | VID | Hersteller | WaKü oder LuKü | Username mit Link | Treiber


1xxxx | 1200 | 1700 | 1,150V | 1,1xxV | MSI | LuKü | HardwareLUXX | 301.10 WHQL


3DMark Vantage - Extreme (PhysX Off)

Vantage Score | GPU Takt | Speicher Takt | GPU VCore | VID | Hersteller | WaKü oder LuKü | Username mit Link | Treiber


xxxxx | 1200 | 1700 | 1,150V | 1,1xxV | MSI | LuKü | HardwareLUXX | 301.10 WHQL


3DMark11 - Performance

3DMark11 Score | GPU Takt | Speicher Takt | GPU VCore | VID | Hersteller | WaKü oder LuKü | Username mit Link | Treiber


14967 | 1121 | 1617 | 1,150V | 1,087V + 1,125V | Zotac SLI | LuKü | Edgecrusher86 | 301.10 WHQL
14166 | 1006 | 1502 | 1,150V | 1,087V + 1,125V | Zotac SLI | LuKü | Edgecrusher86 | 301.10 WHQL
9682 | 1156 | 1627 | 1,150V | 1,087V | Zotac | LuKü | Edgecrusher86 | 301.10 WHQL
8847 | 1006 | 1502 | 1,150V | 1,087V | Zotac | LuKü | Edgecrusher86 | 301.10 WHQL


3DMark11 - Extreme

3DMark11 Score | GPU Takt | Speicher Takt | GPU VCore | VID | Hersteller | WaKü oder LuKü | Username mit Link | Treiber


6483 | 1121 | 1617 | 1,150V | 1,087V | Zotac SLI | LuKü | Edgecrusher86 | 301.10 WHQL
5924 | 1006 | 1502 | 1,150V | 1,087V | Zotac SLI | LuKü | Edgecrusher86 | 301.10 WHQL
3522 | 1156 | 1627 | 1,150V | 1,087V | Zotac | LuKü | Edgecrusher86 | 301.10 WHQL
3179 | 1006 | 1502 | 1,150V | 1,087V | Zotac | LuKü | Edgecrusher86 | 301.10 WHQL





Andere Kühllösungen



Karten im Referenzdesign:

Anscheined dürfte es etwas dauern, bis erste eigene Lösungen durch die Boardpartner zu erwarten sind, bis dahin kommen generell alle Karten ausschließlich im Referenzdesign.




Angekündigte Non-Referenz-Karten bzw. Karten mit Werks-OC:


Colorful iGame Kudan (xxxx/xxxx MHz, 3 x 80 (?) mm Axiallüfter (Triple Slot Kühler) + 10 Heatpipes, 8 Phasen + 4 per SO-DIMM, BIOS-Switch, Acryl-Farben(!), 8+8 Pin PCI-E)




EVGA GeForce GTX 680 FTW 4GB (xxxx/xxxx MHz, 4 GB)




EVGA GeForce GTX 680 FTW (xxxx/xxxx MHz)




EVGA GeForce GTX 680 Superclocked Signature 2 (1058/1552 MHz, 2 x 80 mm Axiallüfter, 5+2 Phasen, 8+6 Pin PCI-E)




Gainward GeForce GTX 680 Phantom 4GB (1084/1150/1575 MHz , 2 x 80 mm Axiallüfter und 5 Heatpipes, 2,5 Slot Phantom II Kühler, 4GB, 5+2 Phasen, 8+6 Pin PCI-E)




Gainward GeForce GTX 680 Phantom (1084/1150/1575 MHz , 2 x 80 mm Axiallüfter und 5 Heatpipes, 2,5 Slot Phantom II Kühler, 5+2 Phasen, 8+6 Pin PCI-E)




Galaxy/KFA² GeForce GTX 680 4GB (~ 1100/xxxx MHz, 2 x 90 mm Axiallüfter, 4 GB, 5+2 Phasen, 8+6 Pin PCI-E)




Galaxy/KFA² GeForce GTX 680 Hall of Fame Edition (xxxx/xxxx MHz, 3 x 90 mm Axiallüfter, xx Phasen, 8+8 Pin PCI-E - konventionelle Buchsen, weißes PCB)




Galaxy/KFA² GeForce GTX 680 Single Slot (xxxx/xxxx MHz, xx mm Radiallüfter, xx Phasen, Single-Slot Design)




Gigabyte GeForce GTX 680 OC Windforce X3 (GV-N680OC-2GD) (1071/1137/1502 MHz, 3 x 80mm Axiallüfter - Windforce X3-Kühler, 5+2 Phasen, 8+6 Pin PCI-E - konventionelle Buchsen)




Inno3D iChiLL Arctic Cooling GeForce GTX 680 (xxxx/xxxx MHz, ~75 mm Axiallüfter + 120 mm Axiallüfter und Radiator - Arctic Accelero Hybrid (Luft/Kühlmittel-Lösung ähnlich Asetek- oder Cool-IT CPU-Lösungen), 8+6 Pin PCI-E - konvetionelle Buchsen)



Guru3D Forum: schrieb:
The iChill GeForce GTX 680 features a pre-fitted water-cooling loop which consists of a GPU Core base plate and two individual tubes which would transfer the coolant through the reservoir pump which is cooled by a 120mm fan. The Cooler shroud also features a fan which cools down the Power and Memory Area. Display is provided through two DVI, HDMI, DisplayPort, the GPU would cover two expansion slots.

As far as performance goes, The cooler is said to drop temperatures down to 44 ℃ at load which is much better than the stock cooling design and at only 10% noise of air cooled models. Inno3D hasn’t yet detailed the frequencies but the core is expected to reach 1.2GHz. Pricing and launch date have not been detailed.


Inno3D GeForce GTX 680 TwinFan (xxxx/xxxx MHz, 2 x 90 mm (?) Axiallüfter)




MSI N680GTX Twin Frozr III/OC (1056/1108/1505 MHz, 2 x 80mm Axiallüfter, 3 x 6 mm + 2 x 8 mm Heatpipes, Twin Frozr III-Kühler (27 cm Kartenlänge))




Palit GeForce GTX 680 JetStream 4GB (1084/1150/1575 MHz , 3 Axiallüfter - 1 x 90 mm mit blauer LED & 2 x 80mm abgewinkelt, 2,5 Slot JetStream Lüfter, 5+2 Phasen, DrMos, 4GB, 8+6 Pin PCI-E)




Palit GeForce GTX 680 JetStream (1084/1150/1575 MHz , 3 Axiallüfter - 1 x 90 mm mit blauer LED & 2 x 80mm abgewinkelt, 2,5 Slot JetStream Lüfter, 5+2 Phasen, DrMos, 8+6 Pin PCI-E)




Zotac GeForce GTX Extreme Edition (1202/1502 MHz, 2 x 90 mm Axiallüfter mit bis zu 3500 U/Min.+ und 5 x 6 mm Heatpipes, ingesamt 12 Phasen (AIO Ferrit-Spulen), 3 FPCAP Kondensatoren sowie USB-OC+ Modul für Zotac Firestorm OC-Tool und verbreitertes PCB samt 8+6 Pin PCI-E, 1,212V default, mit LN2 DIP-Schalter und bis zu 1,500V VCore per OC+ (USB)! - Spannungsmesspunkte und Status LEDs, anscheinend leider nur für China geplant)



Chinesisches Video - Zotac GeForce GTX 680 Extreme Edition: (10:13 Min.)
Chinesisches Video Zotac GeForce GTX 680 Extreme Edition - OC auf 1,4 GHz Coretakt: (5:57 Min.)

1,5 GHz wäre kein Problem gewesen, sofern es die Kühlung mitgemacht hätte - bei 1,41 GHz @ 1,375V hatte der Kühler bei nicht unerheblicher Lautstärke schon 95 °C unter Last auf dem Buckel. :fresse:




Alternative Kühler (Luft):


Kompatible Kühler zum Referenzdesign (Liste nach Launch)

vgakhlerkompatibilittu1cxq.png


PCGH - Geforce GTX 680: Diese VGA-Kühler passen plus Test des Arctic Twin Turbo 2 und Thermalright Shaman


Arctic Accelero Twin Turbo II (2 Slot - Maße: 220 (L) x 125 (B) x 54 (H) mm - 2 x 92mm PWM Lüfter - 900 bis 2000 U/Min - 0,3 Sone - 5 x 6 mm Heatpipes) - kompatibel zum Referenzdesign! Preis: ab ~ 31€



Links:
Hardwareluxx - User-Review Arctic Twin Turbo II auf Gigabyte GeForce GTX 680 (Referenzdesign) (THX @ derredbaron)
Hauptseite
Download - PDF Spezifikationen
Download - PDF Handbuch (Sprachenauswahl)
Download - PDF Maße und Bauhöhen

Arctic Accelero Twin Turbo 2 auf GeForce GTX 680 (THX @ Naennon):



http://www.hardwareluxx.de/communit...erste-seite-lesen-880765-38.html#post18660287


Arctic Accelero Xtreme III (3 Slot - Maße: 288 (L) x 104 (B) x 54 (H) mm - 3 x 92mm PWM Lüfter - 900 bis 2000 U/Min - 0,5 Sone - 5 x 6 mm Heatpipes) - aufgrund der PCI-E Buchse im Tower-Design ist das GTX 680 Referenzdesign inkompatibel - somit bedarf es einer Non-Referenzkarte! Preis: ab ~ 58€



Links:
Hardwareluxx - Test des Arctic Accelero Xtreme III anhand der Gigabyte GeForce GTX 670 OC (identisches PCB wie GTX 680 OC)
KitGuru - Review Arctic Accelero Xtreme III @ ASUS GeForce GTX 680 DirectCUII
Hauptseite
Download - PDF Spezifikationen
Download - PDF Handbuch (Sprachenauswahl)


Liste der zum Arctic Accelero Xtreme III kompatiblen, hierzulande lieferbaren Karten (mit klassischen PCI-E Buchsen - ohne Tower-Design)

Karten ohne Backplate

Gigabyte GeForce GTX 680 OC (GV-N680OC-2GD)
Inno3D iChill GeForce GTX 680 Herculez 3000
Inno3D iChill GeForce GTX 680 Herculez 3000 (4GB)
KFA² GeForce GTX 680 EX OC
KFA² GeForce GTX 680 EX OC (4GB)
KFA² GeForce GTX 680 LTD OC V2

Karten mit Backplate (evtl. weitere Umbaumaßnahmen - Schrauben <-> Abstandshalter - notwendig, sofern die Backplate weiterhin verwendet werden soll)

ASUS GTX680-DC2-2GD5 (DirectCUII)
ASUS GTX680-DC2O-2GD5 (DirectCUII OC)
ASUS GTX680-DC2T-2GD5 (DirectCUII TOP)
EVGA GeForce GTX 680 Classified (4GB)
Gigabyte GeForce GTX 680 Super Overclock (SOC)
MSI N680GTX Lightning
Point of View GeForce GTX 680 Exo
Point of View GeForce GTX 680 Exo (4GB)
Point of View GeForce GTX 680 TGT Charged Triple Fan + TGT Backplate
Point of View GeForce GTX 680 TGT Charged Triple Fan + TGT Backplat (4GB)
Point of View GeForce GTX 680 TGT Ultra Charged + TGT Backplate
Point of View GeForce GTX 680 TGT Ultra Charged Low Leakage Selection (LLS) + TGT Backplate (4GB)


Arctic Accelero Hybrid (2 Slot - Maße: Grafikkarten-Modul: 243 (L) x 112 (B) x 44.2 (H) mm - Maße: Radiator und Lüfter: 150 (L) x 120 (B) x 52.8 (H) mm - GPU-only-Flüssigkeitskühlung inkl. Pumpe, 120mm Radiator und F12 PWM Lüfter (400 bis 1350 U/Min) + 80 mm Lüfter (900 - 2000 U/Min) für Spannungswandler und VRAM - max. 0,4 Sone (2000 U/Min + Pumpe)) - anders als Accelero Xtreme III kompatibel zum GTX 680 Referenzdesign (siehe Thumbnail & Review-Link)! Preis: ab ~ 106€



Links:
Review - KitGuru - Arctic Accelero Hybrid auf Palit GeForce GTX 680 (Referenzdesign)
Hauptseite
Download - PDF Spezifikationen
Download - PDF Handbuch (Sprachenauswahl)







Erhältliche WaKü-Blocks für die GTX 680 & weitere Infos:


Aquacomputer aquagrafx GTX 680 (gelistet für 93,99€ bei Aquatuning)



Montage-Video: http://www.youtube.com/watch?v=iZyT8fKW0L0&feature=player_embedded

http://forum.aquacomputer.de/wasser...d-aquagratix-hd-7950-mit-3d-flow-technologie/


Bei Aquacomputer für 94,90€ lieferbar.
Ebenso gibt es eine schwarze Backplate für 29,90€.







EK Water Blocks EK-FC680 GTX (Kupfer + Plexiglas, Kupfer + Acetal, Acetal + Nickel (vern. Kupfer) sowie Nickel (vern. Kupfer) + Plexiglas geplant - zwischen 83,99 € bis 93,99€ gelistet)



Installationsanleitung: http://www.ekwaterblocks.com/shop/EK-IM/EK-IM-3831109856321.pdf

Der EK-FC680 GTX (Plexiglas + Kupfer) und der EK-FC680 GTX Acetal (Kupfer + Acetal) sind für jeweils 84,95€ im EK-Shop schon als lieferbar gelistet!
Das komplette Lineup wird laut Aquatuning für den 05.04. erwartet.


http://www.ekwaterblocks.com/shop/blocks/vga-blocks/fc-geforce/geforce-gtx-6x0-series.html




EVGA Waterblock GTX 680 Hydro Copper (Swiftech 400-CU-G680-B1) - gelistet für 159,99$ im EVGA Shop



Installationsanleitung: http://www.evga.com/products/pdf/400-CU-G680-B1.pdf

Link EVGA Shop (159,99$)




Karten mit WaKü-Blocks ab Werk:


EVGA GeForce GTX 680 Hydro Copper Classified (xxxx/xxxx MHz, Swiftech 400-CU-G680-B1 WaKü-Block)




EVGA GeForce GTX 680 Hydro Copper (xxxx/xxxx MHz, Swiftech 400-CU-G680-B1 WaKü-Block)




Point of View TGT GeForce GTX 680 Beast (xxxx/xxxx MHz, Aquacomputer aquagrafx GTX 680 WaKü-Block)






Das Layout der Karte:



Ein Vergleich zwischen der GeForce GTX 680 PCB- gegenüber der GeForce GTX 580 PCB-Rückseite


Alle weiteren Infos zu den WaKü-Lösungen findet ihr hier (THX @ Guapa):


GeForce GTX 680 WaKü-Sammelthread





Allgemeiner Hinweis



Dies ist ein Sammelthread für die GeForce GTX 680, das heißt, es darf und soll hier über die Karte diskutiert werden und den Usern auch als Kaufberatung dienen. Natürlich ist ein Vergleich, etwa in Sachen Leistung, zu anderen Karten (etwa HD 7000 und GTX 500) angemessen.

Was allerdings nicht hier rein gehört:

Offtopic Beiträge (beispielsweise eine Technikdiskussion über die Architektur des R1000 a la HD 79x0), Gespamme oder "Privatkriege -> NV vs. AMD".

Es ist nur im Interesse des Forums, dass es hier gesittet abläuft.

Bei Postings, die zu sehr OT sind oder etwa nur reine Provokation, am Besten gar nicht darauf eingehen, sondern durch Benutzen des "Beitrag melden-Buttons" (
report.gif
) die Moderatoren/-innen die Angelenheit regeln lassen.

Sollte es zu mehrmaligem Verstoß gegen die Regeln kommen, so können auffällige User eine Auszeit von diesem Thread erhalten.



Gruß
Edge
 
Zuletzt bearbeitet:
Ich werde nun von meiner EVGA GTX680 auf eine 780 wechseln, die ich sehr günstig geschossen habe. Die 680 werde ich dann hier im MP anbieten.
 
Wenn Du diese Anzeige nicht sehen willst, registriere Dich und/oder logge Dich ein.
Hallo,

ich habe ein ziemlich merkwürdiges Problem, bei dem ich selbst mangels Erfahrung nicht mehr weiter weis. Ich habe ein GTX 680 SLI und einzeln laufen die Karten Problemlos. Jedoch treten im SLI-Modus ab- und zu Probleme auf:

-Bildschirm geht beim Windows-Boot aus (Boot-Jingle läuft aber problemlos)
-Das System läuft sporadisch extrem träge (Maus hängt mehrere Sekunden nach)
-Nvidia-Treiber stürzt ab und wird wiederhergestellt
-Leistung nicht ausreichend (GPU-Power bei beiden GPUs bleibt bei 48-50%, Nach Neustart verschwindet es manchmal)


In der Regel ist der Fehlerablauf folgender: Ich schalte den PC ein -> Bildschirm schaltet aus, Boot-Jingle kommt. Nach 2-3 "harten" Resets fährt der Rechner dann normal mit Bild hoch. Im Windows starte ich dann ein Spiel, welches sich mal gar nicht oder in vollkommen unabhängigen Abständen (15-60 Minuten) stehen bleibt (Nvidia-Treiber Kernel ist abgestürzt). Nach dem Treiber-Abstürz hängt das System dann mit nachziehender Maus (Fühlt sich so an, als würde Windows mit 0,5 FPS laufen). Nach einem warmen Neu-Start sind die Lags dann wieder verschwunden.

Folgende Lösungsansätze habe ich schon probiert:

-Karten einzeln getestet -> Keine Fehler
-Monitor-Ausgänge durchgewechselt -> Kein Erfolg
-Treiber neu installiert (340.52) -> Kein Erfolg
-Energieoptionen justiert (Windows- und Nvidia-Panel) -> Kein Erfolg


Mein Rig sieht so aus:
Intel 4670K @ Standard
Gigabyte Z87MX-DH3
8GB 1866-DDR3-RAM
Gigabyte GTX 680 SLI @ Standard
BeQuiet Straight Power 680W



Bild unter "Last":


Bild im "idle":


Bild vom sporadisch auftretenden "lag":


weiteres Bild von den "lags":



Ich hoffe Ihr könnt mir helfen..

Gruß
 
Biste sicher das es an den Grafikkarten liegt. Würde hier mal auf LPM tippen das der läuft. Mal Deaktivieren und testen. Ach ja LPM ist Link Power Managtment.
 
Danke für den Tipp. Habe es gleich mal eingestellt, bin gespannt ob es das Problem ist.

Das LPM war es leider nicht. Die Latenz geht ins unendliche, die Maus hängt, Bild wird Schwarz und dann stellt sich der Treiber wieder her.

Edit: Ich habe heute die beiden Karten einzeln gebenched. Scheinbar ist Karte 2 an den Problemen schuld.

Karte 1 (ASIC: 71,7%):

Heaven Benchmark 4.0
63,5 fps
1600 Punkte
Power-Draw: 90-105%

Karte 2 (ASIC: 84,0 %):

Heaven Benchmark 4.0
41,6 fps
1048 Punkte
Power-Draw: 73-84%


Liegt das jetzt am ASIC, dass die Karte 2 so "schlecht" gegenüber der ersten ist? Egal was ich tue, ob Power-Target oder Takt erhöhen. Die Karte zieht nicht mehr als 84% Power.
 
Zuletzt bearbeitet:
Hallo Liebe Leute :)

Ich habe vor einigen Tagen eine Gainward GTX680 Phantom 4GB 6 PIN + 8 PIN erworben und einen Watercool Heatkiller X3 drauf montiert.
habe nach reichlicher Recherche festellen müssen das diese Karte auf 1.212 V GPU Spannung limitiert wird und man nur über eine Hardware Technische Modifikation die Limitierung umgehen kann.

Ich habe damals schon selber bei meiner 8800 GTX einen Voltmod nach Anleitung aus dem Internet durchgeführt.
Es gibt auch für die GTX 680 von EVGA auch schon ein Tutorial wie man diesen Voltmod praktiziert, nur leider ist das ein anderes PCB Design.

Deswegen möchte ich hier nach Unterstützung fragen, ob jemand einen passenden Link oder Tipp für mich hat wo ich etwas nachhelfen muss.
gainward-gtx680-scan-back.jpg


Overclocke mit msi afterburner und flashe bei stabilen Ergebnissen unter DOS für dauerhaftes OC.

Zurzeit bin ich bei 1250 Mhz @ 1.212 Volt 45°C GPU 60% Power, 90-100% Last


Temperaturtechnisch wäre da noch Platz nach oben.

Mein Ziel: >1300Mhz @ >1.212 Volt <70°C GPU <100%< Power



Reiche Screens oder Daten bei Bedarf nach.

MfG

Marco Hochleutner
 
Zuletzt bearbeitet:
Ich werde das mal testen, danke.

Melde mich nachher nochmal ;)

- - - Updated - - -

Folgendes Problem... Ich finde die Bezeichnung Meines VDDC Chips nicht. kann mir da jemand aushelfen ? :)

- - - Updated - - -

Ich glaub nicht dass das bei mir funktionieren wird.
Habe reichlich rumprobiert und es geht einfach nicht.

Selbst wenn ich das BIOS auf 1.250V flashe gibt er nur 1.212 V raus.
Wird wohl auf einen Hardware mod hinauslaufen.

Falls ich mir irgendwas ermessen kann würde mir das auch schon weiterhelfen.

Multimeter und Lötwerkzeug hab ich alles da.

MfG

Marco Hochleutner

- - - Updated - - -

hier ist das Maximum was mit dem Tool machbar ist...

Wie gesagt damit komm ich trotzdem nicht über die 1.212 V ^^

Aber vielen Dank für den Tipp

gsgsdg.jpg

Hat noch jemand ne Idee ? :)
 
such dir das datenblatt von dem spannungsregler und schau dort nach, wie du eine höhere ausgangsspannung einstellen kannst.
entweder gibt es VID pins, die du auf vcc/gnd ziehen musst und ihm so eine andere soll-vorgabe machst, oder du gehst über den voltage-feedback und täuscht ihm mittels spannungsteiler vor er würde zu wenig ausgeben.
 
danke für den tipp :) versuche ja schon die Bezeichnung des Spannungsreglers raus zu finden und dann an das Datenblatt zu kommen. Nur ist das Internet nicht so reich an Infos wenn es um eine Gainward GTX 680 phantom 4GB geht :) wäre sehr dankbar falls mir da jemand auf die Sprünge hilft.

Ich werde mal gucken ob ich da nicht doch noch was zu finde.


Gruß

Marco
 
soooooo.....^^

Hab da mal was feines gefunden

Verbaut sind 6 "FDMF6823C" DrMOS Module von Fairchild.


Werden die alle zusammen noch von einem Haupt-Chip gesteuert?
also der so gesagte PWM Chip der den Modulen vorgibt wie viel Spannung sie durchlassen ?

fasfsafsa.PNG

bin ich da bei den richtigen chips ?

Vergesst das mit den DrMOS Modulen bitte den nächsten Post beachten ^^
 
Zuletzt bearbeitet:
so bin zurück mit neuen Erkenntnissen ^^

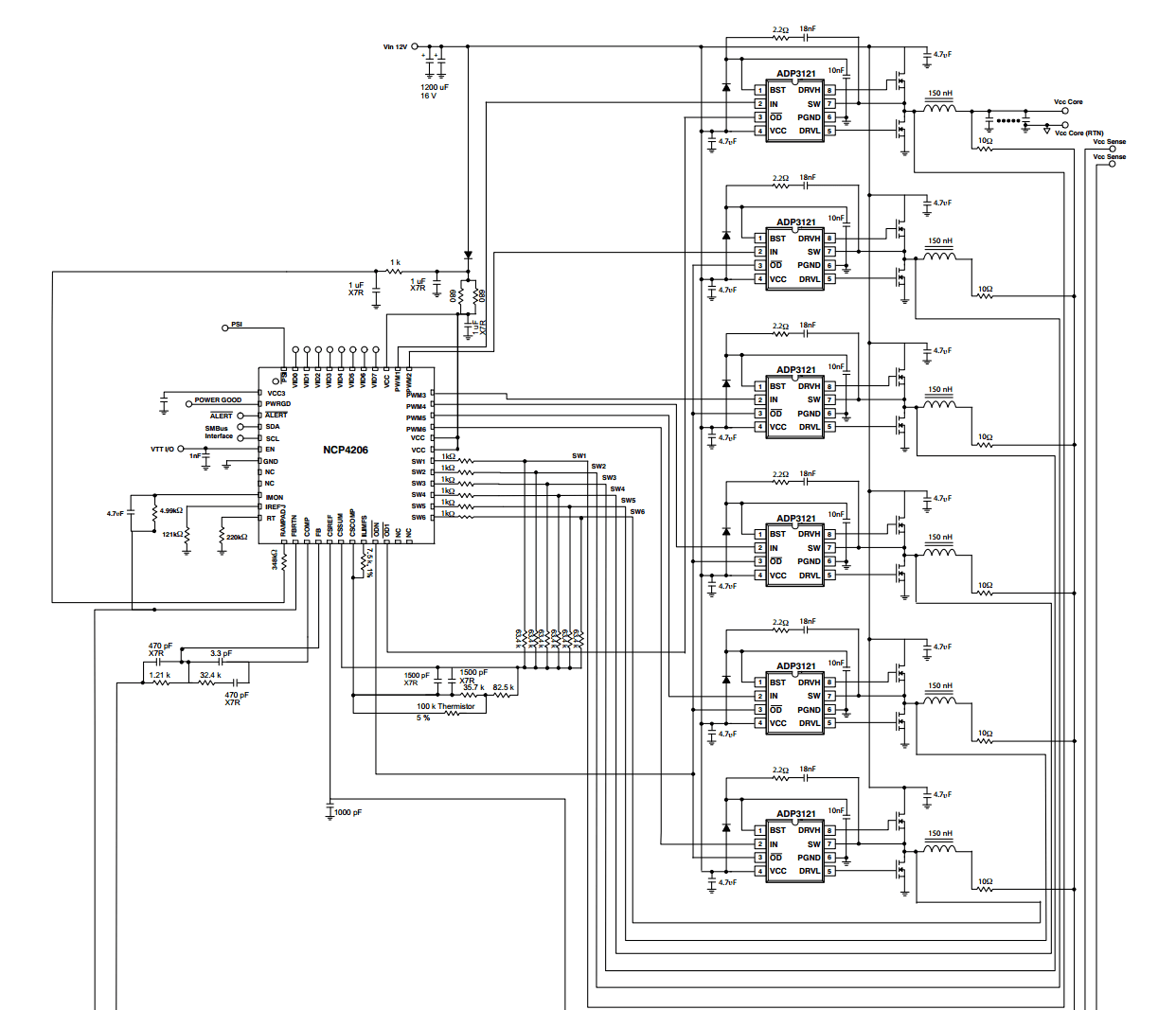
Habe nun den richtigen auf meiner Karte gefunden: Ncp4206

Anhang anzeigen 306067
oben.PNG
plan a.PNG
plan b.PNG

Könnte mir gut vorstellen das ich an den folgenden Punkten eine Modifikation vornehmen muss:

phasen.PNG

Wie man auch auf der Zeichnung erkennen kann VCC vom "Ncp4206" geht an die VCC von "ADP3121".
Entweder an der VCC oder an den VID's 0-7.

Nun zu meiner Theorie:

Ich kann mir gut vorstellen dass die VID's durch einen Regler bzw Regelbaren Widerstand zu Masse geschlossen werden und somit die Spannung im Chip regeln bzw. auf 1.212 V begrenzen.
Wenn man nun aber mit bestimmten Widerständen die VID Pins parallel zum zum "Regler bzw Regelbaren Widerstand" an Masse schließt sollte doch mehr Spannung im Chip abfallen und man erreich eine höhere Steuerspannung :) Somit würde der Chip eine höhere Spannung ausgeben als ihm befohlen wird.

Ob man nur einzelne VID's mit Widerständen auf masse schließt oder mehrere ist hier nun die Frage ^^

so meine Theorie :)


Ich bitte um weitere Hilfe :)
Vielen Dank im voraus.

Gruß Marco :)
 
Zuletzt bearbeitet:
als anregung werfe ich mal den guide für die referenz-680 in den raum:
Uncorking KELPER - practical guide for beginners. - kingpincooling.com

der chip ist zwar ein anderer, aber das vorgehen kannst du auch auf deinen anwenden:
-die leiterbahnen zu den VID-Pins auftrennen
-die vid pins auf einen dip schalter legen
-mit diesem die vid manuel einstellen

ob du die pins angeschlossen lassen kannst und einfach parallel auf potential ziehen kannst weiss ich nicht, aber ich würde es auch nicht probieren.
 
ja genau die frage ist ja jetzt welche VID's bzw. er baut den DIP Schalter ja nur ein damit er die überlastsicherung umgeht wenn ich das richtig gelesen habe. Das was ich ja möchte ist nur die Vcore freischalten.
 
nein, die vid gibt den soll-wert der ausgabespannung vor und genau das ist, was du möchtest.
die überlastsicherung ist das überbrücken der 5mohm shunts.

wie die vid pins zu setzen sind sollte in dem datenblatt deines spannungsreglers erklärt sein (eine tabelle mit pegeln und spannung)
 
so bin zurück mit neuen Erkenntnissen ^^

Habe nun den richtigen auf meiner Karte gefunden: Ncp4206

Anhang anzeigen 306067
Anhang anzeigen 306068
Anhang anzeigen 306069
Anhang anzeigen 306070

Könnte mir gut vorstellen das ich an den folgenden Punkten eine Modifikation vornehmen muss:

Anhang anzeigen 306071

Wie man auch auf der Zeichnung erkennen kann VCC vom "Ncp4206" geht an die VCC von "ADP3121".
Entweder an der VCC oder an den VID's 0-7.

Nun zu meiner Theorie:

Ich kann mir gut vorstellen dass die VID's durch einen Regler bzw Regelbaren Widerstand zu Masse geschlossen werden und somit die Spannung im Chip regeln bzw. auf 1.212 V begrenzen.
Wenn man nun aber mit bestimmten Widerständen die VID Pins parallel zum zum "Regler bzw Regelbaren Widerstand" an Masse schließt sollte doch mehr Spannung im Chip abfallen und man erreich eine höhere Steuerspannung :) Somit würde der Chip eine höhere Spannung ausgeben als ihm befohlen wird.

Ob man nur einzelne VID's mit Widerständen auf masse schließt oder mehrere ist hier nun die Frage ^^

so meine Theorie :)


Ich bitte um weitere Hilfe :)
Vielen Dank im voraus.

Gruß Marco :)


Das ist der Referenz Chip und damit kannst du auch den Softmod nehmen und musst keinen Hardmod vornehmen!!!
Sprich, du kannst bis 1,6V geben OHNE was löten zu müssen etc. - auch kannst du LLC abschalten und so sind dann auch nochmal etwas mehr möglich.

Hast du dir den Guide den überhaupt richtig durchgelesen bzw. angeschaut ? Den egal was du im BIOS an der Spannung änderst - es werden maximal 1,2125V Hardwareseitig übernommen!!!
 
Den Softmod habe ich nach Anleitung mehrmals durchgeführt, trotzdem übernahm er keine Spannung über 1.212V
und der NCP4206 Voltage Hack von Team Skyn3t's funktioniert auch nicht bzw kommt bei dem "Check LLC Status ri3 oder ri4" immer "invalid" raus .

Ich bin der festen Überzeugung, dass bei mir der softmod nicht funktioniert.

Werde mich mal im Datenblatt umsehen ;)
 
Zuletzt bearbeitet:
Welche AB Version hast du den ?
Eigentlich reicht es schon wenn man den code in die AB cfg einfügt. In deinem Fall ist das dieser hier:

[Settings]
VDDC_Generic_Detection=0
VDDC_NCP4206_Detection=3:20h

oder

[Settings]
VDDC_Generic_Detection=0
VDDC_NCP4206_Detection=4:20h

Dann den AB neu starten und schon müsstest du die Spannung bis 1,3V regeln können.
 
Ich habe bereits die version 3.0.0 Beta 18, 4.0.0 Beta 9 und die 4.0.0 benutzt. Und kein AB möchte über 1,212V.
Ich kann immer nur maximal +225mV machen dann lande ich bei 1,212V.

diese VDDC Sache funktioniert bei mir einfach nicht. Der softmod ist bei mir nicht möglich.
 
Zuletzt bearbeitet:
Ich hab meine EVGA GTX 680 SC Signature+ aus meinem ersten System jetzt wieder auf Lukü umgebaut und in mein Zweitsystem verpflanzt, dort ersetzt sie jetzt die GTX 285.
Ist zwar Perlen vor die Säue weil sie ihre Leistung nicht ganz ausspielen kann bringt aber allemal ein sattes Plus beim zocken, z.B. geht Borderlands 2 jetzt auch auf maximalen Settings.

Erstaunt bin ich nur weil sie unter Lukü doch relativ leise bleibt, die 285 war der reinste Föhn. Aber hat ja auch 'ne Ecke weniger TDP.
 
UPDATE: ^^
Ich hab erfreuliche Nachrichten :)

Hab jetzt anhand des Datenblattes raus gefunden, dass es bei meinem Chip tatsächlich an der VID6 liegt.
Bis 1.212V ist VID 6 als "ON" bzw "1" gelistet,
alles über 1.212V steht die VID 6 als "OFF" bzw "0"

Jetzt kommt bloß noch die Große Preisfrage in wie fern verhält sich das ganze jetzt.
da wir ihm ja sogesagt VID6 nehmen ändern wir auch den Code.


wenn man nun 1.212 V einstellt sollte folgender Code gesendet werden

= 0 1 0 0 0 0 0 0 (VID7=0 VID6= 1 VID5= 0 VID4= 0 VID3= 0 VID2= 0 VID1= 0 VID0=0 )

da wir nun theoretisch aber VID6 genullt haben würde ja rauskommen:

00000000 (VID7=0 VID6= 0 VID5= 0 VID4= 0 VID3= 0 VID2= 0 VID1= 0 VID0=0 )

Und das bedeutet: OFF in der Liste also Keine Spannung

Und um theoretisch 1.3V dann zu erreichen müsste ich ihm dann den Code von 0.9V senden,
weil der Code von 0.9V ist 0 1 1 1 0 0 1 0

da wir aber VID 6 genullt haben kommt 0 0 1 1 0 0 1 0 raus. und das das bedeutet in der Tabelle 1.3V

afaa.PNG
fasf.PNG


ich könnte natürlich auch die VID's manuell über nen DIP switch regeln und somit eine feste spannung einstellen, aber ich möchte gerne wissen ob dies nicht auch über einstellen anderer codes möglich wäre, bzw habe ich die Bange dass die karte anhand des fehlenden VID6 nicht mehr im idle hochfährt.
Mit DIP Switch oder ohne ?
Also VID6 wird bis 0.81250V nicht benötigt. Ab 0.81875 bis 1.21250V wird VID6 mit im Code verwendet.

MfG
Marco Hochleutner
 
Zuletzt bearbeitet:
MSI Afterburner Power Limit Regler nicht verfügbar?!

Hab vielleicht eine einfache Frage: Habe nun eine Geforce 680GTX mit 4GB von Zotac gekauft. Vorher hatte ich eine EVGA 680 Signature, bei der ich beim MSI Afterburner einen Power Limit Regler hatte. Nachdem ich die Zotac eingebaut habe, ist dieser verschwunden. Kann man mit dieser Karte das Power Limit nicht verstellen oder fehlt mir da eine Einstellung? Kann man das irgendwie per Bios Modding vielleicht verändern?

Würde das Tool Precision X diesen Umstand vielleicht ändern können?
 
@ Last Hero
In den MSI Einstellungen des Afterburners hast du schon geguckt ? :)
 
Hallo Leute,

ich habe mir eine gebrauchte GTX 680 2GB im Referenzdesign zugelegt und stehe schon vor dem ersten Problem. Und zwar taktet die Karte zu niedrig. Normal sollte sie mit 1006 MHz + X Boost takten. Meine hingegen schwankt unter Last bei 900 MHz rum. Ich habe nun mit MSI Afterburner das Power Target auf 132% gestellt und das GPU Takt offset auf 132 MHz eingestellt. Damit schwankt die Karte irgendwo bei 1020 +- MHz herum. Das ist doch nicht normal?!?

Woran kann das liegen? Kann es sein dass da irgendwas am Bios verpfuscht wurde? Ich kann mir das echt nicht erklären. Im Benchmark schneidet die Karte auch nicht besonders gut ab. Unigine Heaven bring bei 1080p, Ultra, 8xAA und Tessaletion Extreme gerade mal 866 Punkte und 34,4 average FPS. Da erreichen andere deutlich mehr...

Der Rest des Systems: Asus Z97 Pro, Intel I7 4790K, G.Skill DDR3 Ram 8GB, Enermax Modu87+ 500 Watt Netzteil.

Habe ich ne Krücke gekauft?

Viele Grüße,

Hardy
 
Zuletzt bearbeitet:
Wie sehen denn die Temps aus, wird sie evtl zu warm? Wenn du Bedenken hast dass vielleicht was am BIOS der Karte nicht passt kannst du dir ja n anderes flashen.
Hast du die Karte mal in nem anderen PC getestet?

Gesendet von meinem Nexus 5 mit der Hardwareluxx App
 
Unter Last wird die Karte gut 70 Grad heiss. Das müsste passen. Könnte es sein, dass CPUID und MSI Afterburner einfach falsche Werte ausgeben? Oder ist meine PSU zu schwach? Ich stehe ziemlich auf dem Schlauch...
 
Dass zu geringe Werte angezeigt werden halte ich für unwahrscheinlich da sich das ja wohl mit den zu niedrigen Benchmark Werten deckt.

Das NT dürfte mit etwas Reserve reichen sofern die CPU nicht maßlos übertaktet läuft.
Wenn nicht würde ich auch eher mit Abstürzen rechnen.

Gesendet von meinem Nexus 5 mit der Hardwareluxx App
 
Die CPU läuft mit 4,6 GHz, ist also schon ordentlich übertaktet, dennoch müssten die 500 Watt meines Netzteils dicke reichen. Kann ich irgendwie rausfinden ob das Bios der Karte original ist?

Ich fürchte die Karte ist ein Fall für RMA, die fällt aber sicher aus bei ebay Kauf...
 
Nimm dir GPU-Z und vergleich die Werte mit den Werten anderer Karten des gleichen Typs.
oder du ließt mit GPU-Z das BIOS aus und öffnest das mit dem Kepler Tool, lädst dir aber noch bei Video Bios Collection | techPowerUp
das Bios deiner Karte runter und vergleichst mal. :)

Wenn da die Werte stimmen, vermute ich mal sie erkennt die 3D Anwendung nicht richtig und Tacktet nur gering fügig hoch, oder du hast nen Flaschenhals zur Karte dass sie nicht genug Futter(Material) zum verarbeiten bekommt.

Was sagt denn die GPU Auslastung der Karte ? :)

mach am besten mal einen Screen während des Benches vom MSI Afterburner
 
Zuletzt bearbeitet:
Hardwareluxx setzt keine externen Werbe- und Tracking-Cookies ein. Auf unserer Webseite finden Sie nur noch Cookies nach berechtigtem Interesse (Art. 6 Abs. 1 Satz 1 lit. f DSGVO) oder eigene funktionelle Cookies. Durch die Nutzung unserer Webseite erklären Sie sich damit einverstanden, dass wir diese Cookies setzen. Mehr Informationen und Möglichkeiten zur Einstellung unserer Cookies finden Sie in unserer Datenschutzerklärung.


Zurück
Oben Unten refresh