PoWerBaR
Semiprofi
exact... außer ich hab mich verrechnet, galub ich aba net, aba mach ich genr bei so leichten sahce
Follow along with the video below to see how to install our site as a web app on your home screen.
Anmerkung: this_feature_currently_requires_accessing_site_using_safari

PoWerBaR schrieb:sondern pro led einen oda wat..? hä?
und warum imemr einen...? ich hab hier 3,3 v leds, 3,3 volt NT, wieso sollte ich da nen widerstand reinmachen... vor allem wenns so stabil ist wie n labor-nt?
aba ich denk ja auch, das 3 leds + 1 widerstand besser wären.

..... dann kann bei einer kleinen schwankung der spannung der strom um das zigfache ansteigen - meinst das überlebt die led ? außerdem würde ich niemals eine led mit dem nennstrom von 20mA betreiben - eher 17-18 mA. an der helligkeit merkt man das nicht, aber an der lebensdauer.
- einen spannungsregler und einen widerstand




)
aber war auch ein scheiß tag
domsch schrieb:Nur mal ne kleine Zwischenfrage...wieso nimmt niemand (oder nur so wenige) die 5V Leitung vom Netzteil??

PoWerBaR schrieb:naja... ich nehm halt lieber 3 lds + widerstand@12v
als 1 led + 1 widerstand@5v
--> da verbraucht man mehr widerstände


Vorher schrieb:@Masl jop denn der 78L05 hat 5V der 78L08 8v usw.
aber harry. wie soll das gehn? oder hat die LED vom "widerstand" auch 100 Ohm. steig jetzt aus.aber war auch ein scheiß tag
![]()
![]()
![]()
mfg
Vorher
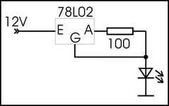
..... aber zur erklärung: der spannungsregler liefert 2V (reichelt µA 78L02 0,12€) - mit dem widerstand von 100 ohm ergibt das einen strom von 0.02 A - damit ist das eine konstantstromquelle mit 0.02 A (20 mA) 
PoWerBaR schrieb:wieso soll die "richtiger" sein. die wird doch eher verlustreicher sein. (also ungenutzt an widerständen mien ich) --> nur der vorteil ist: man ist nicht auf n*3 leds beschränkt, sondern kann soviele nehmen wie man lust hat.