Techlogi
Legende
Thread Starter
- Mitglied seit
- 25.02.2006
- Beiträge
- 16.319
- Ort
- Lübeck
- Desktop System
- Desktop
- Laptop
- Laptop
- Details zu meinem Desktop
- Prozessor
- Ryzen 7 9800X3D; Watercooled (HK IV)
- Mainboard
- Asus B650E-E Gaming
- Kühler
- Mora420 9*P14; HK RAD 360S 3*P12; HK Tube; 2*D5 Next; Iceman Messing Dualtop; HF Next; Octo; CPC NS6
- Speicher
- 2x32gb Corsair Vengeance 6000 CL30
- Grafikprozessor
- 9070XT Red Devil, Watercooled (ALC Core), 400W+10% PL
- Display
- LG C5 OLED 42" + Dell S3220DGF + U2415 + Panasonic TX-50ASW654
- SSD
- OS: Intel Optane 900P 280GB // Spiele: WD Black SN850X 4TB // Bench-OS: Samsung 970 Evo 250GB
- Soundkarte
- Onboard, Realtek ALC1220
- Gehäuse
- LianLi O11 EVO schwarz; Coldzero Backplate; 7x Arctic P12 ARGB
- Netzteil
- be quiet! Straight Power 11 850W Platinum
- Keyboard
- Logitech Illuminated
- Mouse
- Logitech MX518 Refresh
- Betriebssystem
- Win11 EN
- Sonstiges
- Asus XG-C100C V2 (10GbE); Xbox 360 Wireless Controller; TP-Link UH720 USB-Hub
- Internet
- ▼250Mbit ▲40Mbit
Moin,
da immer wieder die Frage kommt, was man beachten muss um Lanesharing zu vermeiden bzw. die Allgemeinheit aus Unwissenheit(?) Lanesharing auf jeden Fall vermeiden will, einmal kurz zusammengefasst (auch damit mans easy verlinken kann):
Ob eure Grafikkarte mit 8 oder 16 Lanes läuft, ist beim Spielen in aller Regel quasi egal.
Dazu folgende Tests von Techpowerup:
www.techpowerup.com
www.techpowerup.com
TLDR:
4090 in 4K 4.0x16 vs 4.0x8: ~2%
5090 in 4K 5.0x16 vs 5.0x8: ~1%
5090 in 4K 5.0x16 vs 5.0x4: ~2%
Mit steigender Last durch RT wird der Unterschied gar noch geringer!
5090 in 4K RT 5.0x16 vs 5.0x8: ~0%
5090 in 4K RT 5.0x16 vs 5.0x4: ~1%
--> Wer nicht gerade auf Punktejagd im 3dmark ist, wird davon nichts merken.
Mehr Bandbreite ist vor allem dann von Vorteil, wenn der Speicher voll läuft. Das betrifft in der Theorie so Sparbrötchen wie z.B. RTX 5060 8gb, in der Praxis ist die aber a) eh zu lahm um aus mehr PCIe Bandbreite einen Vorteil zu ziehen und b) hat die ohnehin nur 8 Lanes. Also, macht euch nicht verrückt und nutzt die "freigewordenen" schnellen CPU-Lanes für mehr SSDs, dicke LAN-Karten oder was auch immer.
Ebenso soll dieser Thread aber auch dazu dienen Beispiele zu disktuieren, wo Lanesharing sich tatsächlich über Messtoleranz negativ auswirkt. Solltet ihr Landesharing vermeiden wollen, weil ihr einen Usecase habt, wo Lanesharing zum nachteil wäre (oder der innere Monk das so fordert), so schaut in die Specs oder ins Handbuch des jeweiligen Boards, welche Slots sich Lanes teilen:
Noch eine Anmerkung zur Anbindung der Chipsätze:
Alle am Chipsatz angeschlossenen Geräte teilen sich die Bandbreite des Uplinks zur CPU, d.h.
- Alle aktuellen AM5 Chipsätze: PCIe4 x4
- Intel Z890: PCIe4 x8
Steckt man nun beispielse beim X870E Taichi jeweils eine Gen4 M.2 SSD in die Slots M.2_2, M.2_3 und M.2_4, so teilen sie die SSDs den x4 Uplink zur CPU und können dementsprechend nicht zeitgleich voll ausgelastet werden.
Danke an @pwnbert für seine Mithilfe.
da immer wieder die Frage kommt, was man beachten muss um Lanesharing zu vermeiden bzw. die Allgemeinheit aus Unwissenheit(?) Lanesharing auf jeden Fall vermeiden will, einmal kurz zusammengefasst (auch damit mans easy verlinken kann):
Ob eure Grafikkarte mit 8 oder 16 Lanes läuft, ist beim Spielen in aller Regel quasi egal.
Dazu folgende Tests von Techpowerup:
NVIDIA GeForce RTX 4090 PCI-Express Scaling
The new NVIDIA GeForce RTX 4090 is a graphics card powerhouse, but what happens when you run it on a PCI-Express 4.0 x8 bus? In our mini-review we've also tested various PCI-Express 3.0, 2.0 and 1.1 configs to get a feel for how FPS scales with bandwidth.
NVIDIA GeForce RTX 5090 PCI-Express Scaling
The new NVIDIA GeForce RTX 5090 is the first high-end graphics card that makes use of a PCI-Express 5.0 bus interface. Are you in trouble when trying to run it on PCIe 4.0? What about x8, like when an SSD is using up some bandwidth? We've also tested various PCI-Express 3.0, 2.0 and 1.1 configs...
4090 in 4K 4.0x16 vs 4.0x8: ~2%
5090 in 4K 5.0x16 vs 5.0x8: ~1%
5090 in 4K 5.0x16 vs 5.0x4: ~2%
Mit steigender Last durch RT wird der Unterschied gar noch geringer!
5090 in 4K RT 5.0x16 vs 5.0x8: ~0%
5090 in 4K RT 5.0x16 vs 5.0x4: ~1%
--> Wer nicht gerade auf Punktejagd im 3dmark ist, wird davon nichts merken.
Mehr Bandbreite ist vor allem dann von Vorteil, wenn der Speicher voll läuft. Das betrifft in der Theorie so Sparbrötchen wie z.B. RTX 5060 8gb, in der Praxis ist die aber a) eh zu lahm um aus mehr PCIe Bandbreite einen Vorteil zu ziehen und b) hat die ohnehin nur 8 Lanes. Also, macht euch nicht verrückt und nutzt die "freigewordenen" schnellen CPU-Lanes für mehr SSDs, dicke LAN-Karten oder was auch immer.

Ebenso soll dieser Thread aber auch dazu dienen Beispiele zu disktuieren, wo Lanesharing sich tatsächlich über Messtoleranz negativ auswirkt. Solltet ihr Landesharing vermeiden wollen, weil ihr einen Usecase habt, wo Lanesharing zum nachteil wäre (oder der innere Monk das so fordert), so schaut in die Specs oder ins Handbuch des jeweiligen Boards, welche Slots sich Lanes teilen:
Supports 5 x M.2 slots and 1 x SlimSAS connector and 4 x SATA 6Gb/s ports*
AMD Ryzen™ 9000 & 7000 Series Desktop Processors
M.2_1 slot (Key M), type 2242/2260/2280 (supports PCIe 5.0 x4 mode)
M.2_2 slot (Key M), type 2242/2260/2280 (supports PCIe 5.0 x4 mode)**
M.2_3 slot (Key M), type 2242/2260/2280 (supports PCIe 5.0 x4 mode)**
AMD Ryzen™ 8000 Series Desktop Processors
M.2_1 slot (Key M), type 2242/2260/2280 (supports PCIe 4.0 x4 mode)
M.2_2 slot (Key M), type 2242/2260/2280 (Not supports)
M.2_3 slot (Key M), type 2242/2260/2280 (Not supports)
AMD X870E Chipset
M.2_4 slot (Key M), type 2242/2260/2280 (supports PCIe 4.0 x4 mode)
M.2_5 slot (Key M), type 2280 (supports PCIe 4.0 x4 mode)
SlimSAS slot supports PCIe 4.0 x4 mode.
4 x SATA 6Gb/s ports
* Specifications vary by CPU types.
** When M.2_2 is enabled, but M.2_3 is not in use, PCIEX16_1 will run in x8 mode and PCIEX16_2 will be disabled.
** When M.2_3 is enabled, but M.2_2 is not in use, PCIEX16_1 will run in x8 mode and PCIEX16_2 will run in x4 mode.
** When both M.2_2 and M.2_3 are enabled, PCIEX16_1 will run in x8 mode and PCIEX16_2 will be disabled.
AMD Ryzen™ 9000 & 7000 Series Desktop Processors
M.2_1 slot (Key M), type 2242/2260/2280 (supports PCIe 5.0 x4 mode)
M.2_2 slot (Key M), type 2242/2260/2280 (supports PCIe 5.0 x4 mode)**
M.2_3 slot (Key M), type 2242/2260/2280 (supports PCIe 5.0 x4 mode)**
AMD Ryzen™ 8000 Series Desktop Processors
M.2_1 slot (Key M), type 2242/2260/2280 (supports PCIe 4.0 x4 mode)
M.2_2 slot (Key M), type 2242/2260/2280 (Not supports)
M.2_3 slot (Key M), type 2242/2260/2280 (Not supports)
AMD X870E Chipset
M.2_4 slot (Key M), type 2242/2260/2280 (supports PCIe 4.0 x4 mode)
M.2_5 slot (Key M), type 2280 (supports PCIe 4.0 x4 mode)
SlimSAS slot supports PCIe 4.0 x4 mode.
4 x SATA 6Gb/s ports
* Specifications vary by CPU types.
** When M.2_2 is enabled, but M.2_3 is not in use, PCIEX16_1 will run in x8 mode and PCIEX16_2 will be disabled.
** When M.2_3 is enabled, but M.2_2 is not in use, PCIEX16_1 will run in x8 mode and PCIEX16_2 will run in x4 mode.
** When both M.2_2 and M.2_3 are enabled, PCIEX16_1 will run in x8 mode and PCIEX16_2 will be disabled.
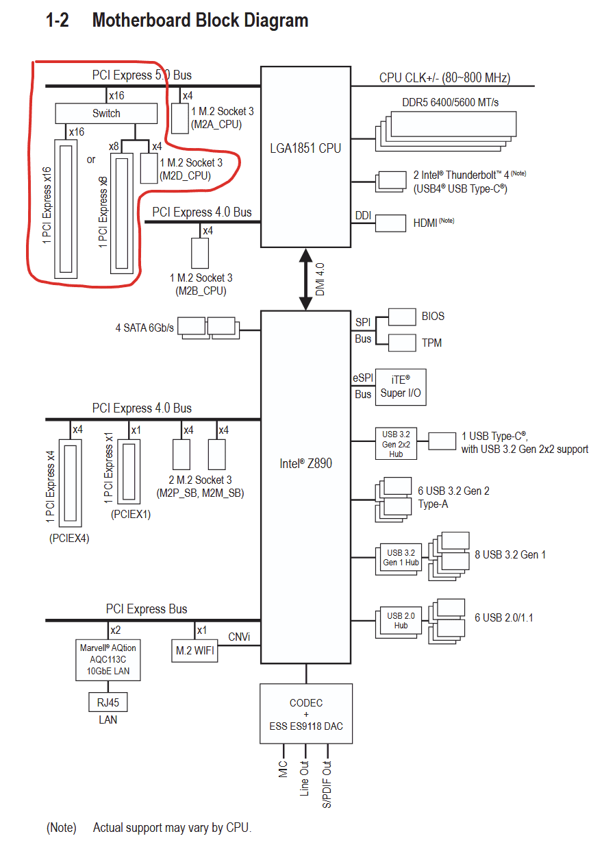
Noch eine Anmerkung zur Anbindung der Chipsätze:
Alle am Chipsatz angeschlossenen Geräte teilen sich die Bandbreite des Uplinks zur CPU, d.h.
- Alle aktuellen AM5 Chipsätze: PCIe4 x4
- Intel Z890: PCIe4 x8
Steckt man nun beispielse beim X870E Taichi jeweils eine Gen4 M.2 SSD in die Slots M.2_2, M.2_3 und M.2_4, so teilen sie die SSDs den x4 Uplink zur CPU und können dementsprechend nicht zeitgleich voll ausgelastet werden.
Danke an @pwnbert für seine Mithilfe.
Zuletzt bearbeitet:



