Activity-LED für SATA-Wechselrahmen: Ja es geht!!!

Hallo

wollte mal fragen ob sich an der schaltung inzwischen geändert hat und ob ich ev die .sch Datei haben kann??

Greez

Lux
 
Wenn Du diese Anzeige nicht sehen willst, registriere Dich und/oder logge Dich ein.
Hallo,

die beiden Chieftec SST-2131SAS und Chieftec SST-3141SAS haben eine Activity-LED genau so realisiert.

Blöderweise funktioniert das unzuverlässig. Bei SAS HDDs leuchtet die Activity LED richtig: Also LED an, wenn Platte Zugriff hat.

Bei manchen Seagate SATA HDDs aber, wie den 3,5" Constellation und den 3,5" Barracuda 7200.12 Modellen, ist die Activity LED immer an, sobald die Festplatte im Backplane-Schacht steckt. Wird auf die Festplatte zugegriffen, geht die Activity LED aus. Sie funktioniert also invers.

Habe dieses Verhalten bereits mit Chieftec durchdiskutiert, aber eine Abhilfe ist da nicht möglich, weil eben der Pin 11 von den Herstellern der HDDs oft ausser Spezifikation genutzt wird.

Was auffällt ist, dass bei HDDs, die Staggered-Spinup unterstützen, die Activity LED in den Chieftec Backplanes korrekt funktioniert. Das ist z.B. bei allen SAS Laufwerken der Fall.

Gruss
Freeman
 
Zuletzt bearbeitet:
Geäzte Platinen zum selber Bestücken gesucht

Hallo GreatCornholio,

inzwischen haben wir das Jahr 2014 und das Problem bleibt :wut:

Habe hier 'nen fetten Server mit 9 Festplatten, fünf im Wechselrahmen mit Hot-Plugging, RAID5, etc. ( ...und ja, ich hau hier schrecklich auf die Kacke ;) ) und genau einer HDD-LED. Wie soll man da die richtige Festplatte finden oder vor den Kumpels richtig protzen können?

Aber mal ernsthaft: Die Lösung ist klasse und die Materialbeschaffung nebst Lötarbeiten wären kein großes Problem, nur wollte ich nicht noch das Ätzen von Platinen lernen. Kannst Du mir 10 Stück von Deiner kleinen Platine fertigen, oder gibt es inzwischen eine neue Lösung die ich nur nicht gefunden habe? Bin neu hier und für jede Unterstützung dankbar.

Grüße
Manic Mechanic
 
Hi!
Cool, den Thread gibts ja auch noch :d

Wegen des geringen Interesses ist aus dem Projekt ja leider nichts geworden, und es existiert nur ein einziger Prototyp auf Lochraster.
Ätzen wollte ich das sowieso nicht selbst, sondern fertigen lassen, also kann ich dir leider auch nichts ätzen...

Als Alternativlösung wurde hier ja schon vorgeschlagen, z.B. einen Fantec MR-35SATA-A zu verwenden (oder zu schlachten), da wäre dann gleich alles an Bord.
 
Als Alternativlösung wurde hier ja schon vorgeschlagen, z.B. einen Fantec MR-35SATA-A zu verwenden (oder zu schlachten), da wäre dann gleich alles an Bord.

Hallo zusammen,

ich hab da mal ein paar Fragen, und zwar möchte ich NICHT für jede HDD eine eigene activity LED haben, sondern ich möchte einfach nur eine zusätzliche LED für die eine HDD in meinem Rechner haben, wenn ich mir jetzt einen Fantec MR-35SATA-A besorge, diesen schlachte, und die Platine an meine HDD hänge, funktioniert die HDD LED, die direkt auf dem MoBo eingesteckt wird dann auch noch oder wird die dann umgangen?

Zweite Frage, hat das schon jemand mit einer Hitachi Platte ausprobiert?

Dritte Frage, funktioniert das auch mit dem Fantec MR-35SATA (ohne "-A" am Ende):

Wechselrahmen

Dieser ist günstiger zu bekommen und hat auch LEDs für Betriebsbereitschaft und HDD-Zugriff, ich finde auf der Fantec Hompage keine unterschiede zur MR-35SATA-A, dennoch wird es welche geben, denn sonst wäre die Bezeichnung und der Preis ja nicht anders.

Nun mal zur Erläuterung, was ich eigentlich vor habe:

Ich habe mein Büro auf dem Dachboden, dort steht mein PC mit einigen Videodateien drauf, über Netzwerk kann mein BD Player darauf zugreifen und die Videos abspielen, der BD Player steht natürlich im Wohnzimmer also ein Stockwerk tiefer, um jetzt nicht jedes mal nach oben laufen zu müssen um den PC hoch oder runter zu fahren, möchte ich eine freie Netzwerkleitung nutzen um im Wohnzimmer einen zweiten Powertaster parallel an zu schließen, das sollte problemlos funktionieren, jetzt hab ich das Frontpannel eines alten PC Gehäuses in ein 5,25" externes Gehäuse eingebaut, dieses soll dann im Wohnzimmer stehen, die LEDs für Power und HDD sollten natürlich im Wohnzimmer auch funktionieren, damit man eine optische Kontrolle hat, ob der PC an oder aus ist.

Parallel oder in Reihe geschaltet wird nicht funktionieren und das MoBo könnte Schaden nehmen.

Die LED für Betriebsbereitschaft könnte ich dann als zusätzliche Power LED nutzen, da ich die HDD ja niemals nich ausstecke, diese sollte dann natürlich sofort leuchten, wenn ich den PC einschalte, oder reagiert die etwas verzögert?

Achso, noch eine Frage, sind das ganz normale 5mm LEDs die im MR-35SATA-A verbaut sind? Dann könnte ich die nämlich einfach in mein Frontpanel einbauen, denn wenn ich andere LEDs nehmen müßte, weiß ich wieder nicht, wie das mit dem Vorwiederstand ist, da die anderen LEDs ja vielleicht auch ganz andere Werte haben.

Vielen Dank vorab, für Eure Antworten.

Gruß Unknown
 
Zuletzt bearbeitet:
wenn ich mir jetzt einen Fantec MR-35SATA-A besorge, diesen schlachte, und die Platine an meine HDD hänge, funktioniert die HDD LED, die direkt auf dem MoBo eingesteckt wird dann auch noch oder wird die dann umgangen?
Die HDD LED, die direkt auf dem MoBo eingesteckt wird, zeigt die Aktivität des Festplattenkontrollers auf dem MoBo an - wird also weiter funktionieren.

Du könntest auf die lokalen LEDs verzichten und nur die im Wohnzimmer anschließen.

Zum Hoch- und Runterfahren gibt es Alternativen:
- Über LAN, falls ein PC im Wohnzimmer vorhanden ist. Wake On LAN zu Hochfahren, VNC-Zugriff zum Herunterfahren. (Das nutze ich selbst.)
- Über Funk mit einem Silverstone ES01.

Viele Grüße
gj
 

Na super, die gibt es erst seit 27.01.16:

Die PC-Fernbedienung von SilverStone ist ab dem 27. Januar 2016 im Handel erhältlich, die unverbindliche Preisempfehlung liegt bei rund 16 Euro.

SilverStone ES01-PCIe: Kleine und praktische PC-Fernbedienung

Ich betreibe diese Konstellation (PC auf dem Dachboden, BD Player greift drauf zu) nun schon seit 2009 und habe immer mal wieder nach dem Thema gegoogled, dabei kommt aber auch jetzt noch ziemlich viel unbrauchbarer Murks hoch, deswegen danke für den Link, da aber die Decke zwischen Wohnzimmer und Dachboden aus Stahlbeton ist, würde das die Rechweite schon etwas eingrenzen, diese ist mit 20 Meter (Freifläche) angegeben, hat hier schon jemand Erfahrungswerte diesbezüglich?

Hinzu kommt noch, das ich keine LED auf der FB hat, die mir sagt PC an oder aus.

Da sich hier sehr lange niemand gemeldet hat, habe ich inzwischen einen MR-35SATA-A bestellt, und werde deshalb die Variante mit dem Netzwerkkabel erst mal weiter verfolgen, trotzdem Danke für Deine Antwort.

Edit: Oder gibts doch ne LED? Damit die aber immer leuchtet wenn der PC an ist, müßte die FB permanent mit dem Empfänder in Verbindung stehen, deswegen glaube ich das LED nur bei Bedienung der FB leuchtet.
 

Anhänge

  • es01-3.md.jpg
    es01-3.md.jpg
    15,8 KB · Aufrufe: 366
Zuletzt bearbeitet:
2009 dürftest du beim Googeln Sharkoon PC Jump Start gefunden haben. An dem USB-Anschluss hätte man eine Art Power-LED-Leuchte betreiben können, falls der An-/Ausschalter dauerbeleuchtet gewesen wäre. Aber mit 2,5 m war das Kabel vermutlich für deinen Anwendungsfall zu kurz.

Viele Grüße
gj
 
Zuletzt bearbeitet:
Sharkoon PC Jump StartAber mit 2,5 m war das Kabel vermutlich für deinen Anwendungsfall zu kurz.

Das stimmt, außerdem kann ich kein zusätzliches Kabel verlegen, besonders kein so dickes.

Leider ist das Kabel der erste Grund zur Kritik. Mit dem Durchmesser eines ausgewachsenen Stromkabels ist es viel zu dick

https://www.amazon.de/product-reviews/B001690A6I/ref=cm_cr_dp_see_all_btm?ie=UTF8&tag=hardwarelux00-21&showViewpoints=1&sortBy=recent

Zweite Rezension.
 
Oh... I am late to the action...
Does it work with an SSD? (the whole LED project, I mean)
 
Mittlerweile ist die Herstellung von Platinen recht günstig. So kann man das Thema wieder aufgreifen. Hab 7 Platten, deren Aktivität ich UNGLAUBLICH gern sehen würde... Tolles Projekt! Eine so simple Angelegenheit eigentlich, die von der Technik aus Gründen nicht vorgesehen wurde... Eigenartig.
Genau wie mir Ausgänge für Temperaturwerte fehlen. Aber hauptsache vier RGB Header mit zwei verschiedenen Systemen auf dem Board 😐😎

Wie wäre es mit diesen Adaptern? Hab ich neulich von SAS-Platten abgezogen. Dort kommt man recht gut an die Pins ran.

IMG_20230427_233517.jpgIMG_20230427_233523.jpgIMG_20230427_233532.jpgIMG_20230427_233537.jpg
 
Zuletzt bearbeitet:
Nach einigen weiteren theoretischen Nachforschungen hat sich mittlerweile Folgendes ergeben:
Pin 11 kann als Ausgang max. 300µA treiben, viel zu wenig für eine LED.
Aber wenn man einen Treiber wie den 74LS07 verwendet, bekommt man bis zu 40mA, das reicht locker zum Ansteuern.

Bleibt nur noch die Frage, ob die Platte trotzdem anläuft, oder ob man Pin 11 dafür noch kurz nach Low ziehen muss...

Hat eigentlich irgendwer die Möglichkeit, über Farnell o.ä. an SATA-Stromstecker zu kommen, bei denen alle Pins einzeln zugänglich sind?
Sonst wäre die einzige Möglichkeit die ich gefunden habe, so eine Adapterplatine...
Und da ist ja alles schön zugänglich, ich glaub das probier ich demnächst mal.

Ein einfaches Schaltbild hab ich auch schon mal entworfen:
sata-led9851.jpg



@L4M4: Ein neues MB nicht, höchstens ne neue HDD. :d
Denn das Signal "HDD Activity" liegt im SATA-Stromstecker an, nicht im Datenstecker.
Außerdem hat hier sogar schon jemand sein SATA-Kabel zerschnitten und wieder zusammengelötet, nur um es sleeven zu können... ;)
Und hast du schon den Thread mit der Ionen-Kühlung gesehen? Da sinds dann ein paar kV, die nur darauf warten alles zu grillen was Ihnen in die Quere kommt. :shot:

Für mich ist es sinnvoll, fand ich schon damals als ich sowas das erste Mal bei SCSI-Platten gesehen habe. Aber cool ists natürlich auch. :cool:

Zum Testen bin ich heute leider nicht mehr gekommen, dafür will ich mir Zeit nehmen. Aber hier gibts schon mal ein Foto von der Bastelorgie gestern:
pict0179wbfb.jpg
Die schwarze Leitung die nicht mehr im Stecker ist, liefert hoffentlich das gewünschte Signal...



Ich bin auch schon gespannt... vor allem darauf, wann mein Zeug endlich kommt. :shake:
War heute nämlich immer noch nix im Briefkasten... :motz:

Aber als kleinen Vorgeschmack hier schon mal mein aktueller Entwurf.
Zumindest in der Simulation funktioniert er schon mal, deshalb auch ohne Gewähr... :rolleyes:

versuch47rn0.jpg



So, wird Zeit für ein Update, ihr wartet bestimmt schon gespannt. :d

Es gibt zwei Nachrichten, eine gute und eine schlechte.

Zuerst die gute:
Gestern sind die Teile endlich gekommen, und ich hab ne Nachtschicht eingelegt um den Prototypen zu bauen.
Und so sieht das gute Stück aus:
pict0201mfp0.jpg

Jetzt zur schlechten Nachricht:
Leider hat sich beim Test heute herausgestellt, dass die Pegel nicht ganz so sind wie erwartet.
Deshalb funktioniert nur die Activity-LED, aber die Connection-LED nicht.
Na ja, bin ich auch selber schuld, hätte ja nur die Spannungspegel messen müssen, und mich nicht nur blind auf die Spezifikation verlassen sollen... :stupid: :rolleyes:

Also nochmal zurück an den Rechenschieber und die Spannungsteiler anpassen... :fresse:



So, es ist vollbracht! :banana:

Nach einigen Messreihen mit meinen Platten (Western Digital WD10EADS und Samsung SP2504C) habe ich die neuen Werte für die Spannungsteiler berechnet, und per Simulation und Test mit Widerständen aus meiner Bastelkiste auch gleich bestätigt.
Ob es mit anderen Platten auch funktioniert, kann ich deshalb leider nicht versprechen.

Wen es interessiert, hier mal die Simulation:
versuch4_simut2g7.jpg

Dann noch meinen Prototypen abgeändert, und es funktioniert endlich wie erwartet. :coolblue:

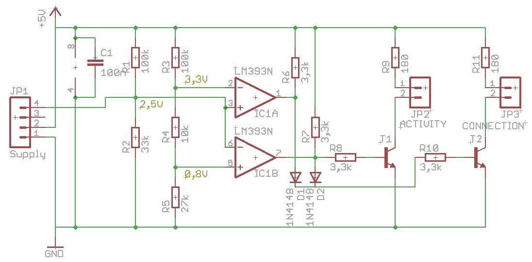
Hier noch mal der Schaltplan mit den aktualisierten Bauteilwerten:
versuch4_schaltplang3pm.jpg
Die Vorwiderstände der LEDs (R9 und R11) müssen evtl. an die verwendeten LEDs angepasst werden.

Und das Layout auf Lochrasterplatine:
versuch4_platinei5vj.jpg
Die blauen Verbindungen sind auf der Lötseite, die roten sind auf der Bauteilseite und mit dünnem, starrem Schaltdraht verdrahtet.
Ist nur mein Vorschlag, schön platzsparend und trotzdem noch einigermaßen problemlos zu löten.

Netterweise habe ich auch gleich noch einen Warenkorb mit allen benötigten Teilen (außer den LEDs) angelegt: klick. :d
Kosten für eine Schaltung: 2,40€.

Nun noch mal zum benötigten Pin 11:
Im SATA-Stromstecker sind immer drei Pins nebeneinander mit einer Leitung verbunden:
Pin 1, 2, 3: 3,3V
Pin 4, 5, 6: Masse
Pin 7, 8, 9: 5V
Pin 10, 11, 12: Masse
Pin 13, 14, 15: 12V
Dadurch liegt Pin 11 auf Masse, was wir hier aber nicht brauchen können.

Für meine Tests habe ich deshalb einen SATA-auf-5,25''-Stecker geknackt, die Pins 10 und 12 abgezwickt, und die Leitung dazu aus dem 5,25''-Stecker entfernt.

Einfaches Durchschleifen funktioniert leider nicht, es wird das Signal ausschließlich von Pin 11 für den Eingang der Schaltung benötigt!

Die Platte erzeugt auf diesem Pin einen Logikpegel mit Active Low, d.h. normalerweise ist der Pin High, bei Aktivität Low.
Der Pegel sowie die Technologie der Beschaltung unterscheidet sich aber anscheinend von Hersteller zu Hersteller.
Für die konkreten Pegel musste ich wirklich messen, dabei war die WD weit kooperativer als die Samsung.
Die WD hat als Low-Pegel um die 0,15V und als High-Pegel 3,3V am unbelasteten Ausgang.
Die Samsung hat am offenen Ausgang immer 2,4V anliegen, hier half nur die Beschaltung mit Pullup- und Pulldown-Widerstand.

Einen einzelnen SATA-Stromstecker, bei dem alle Pins einzeln direkt zugänglich sind, habe ich leider auch nicht gefunden.
Wenn, dann nur die Kombistecker, die Pillepop schon erwähnt hat. Und die sind leider schwer zu bekommen, nur über Farnell.

Aber für mich habe ich jetzt eine andere Lösung gefunden:
Und zwar gibt es hier eine kleine Platine mit SATA-Stecker und SATA-Buchse.
Fragt mich jetzt nicht für was man das Ding eigentlich braucht, aber für mich war es einfach ideal. :d

Auf dieser Platine habe ich auf einer Seite die Verbindung von Pin 11 mit der Leiterplatte abgelötet, und auf der anderen Seite eine Leitung angelötet.
Dann gleich noch Abgriffe für 5V (Pin 8) und Masse (Pin 5) angelötet, und mit Heißkleber eine Zugentlastung gebastelt.
Mit diesem Adapter muss man die SATA-Kabel nicht massakrieren, und die zwei Masseverbindungen auf Pin 10 und 12 sind auch noch in Funktion.

Und so sieht das Ganze dann aus:
pict0202sffa.jpgpict0203iijz.jpgpict0204igot.jpg
Sorry für die miesen Pics, aber is ja auch schon spät... :fresse:
Morgen gibts ein besseres mit Beschriftung...

Danke für das Lob, sowas hört man immer gern! :)

Aber ich hab das natürlich nicht nur für mich gemacht, sonst hätte ich es hier ja nicht reingestellt. ;)
Denn im Netz gibt es zwar viele Fragen zu dem Thema, aber bisher leider keine erfolgreichen Lösungen. Und das wollte ich ändern...

Hier gibts die versprochenen, besseren Bilder:
adapterplatine27qw.jpgled-platine034d.jpg

Das wäre ja auch der Sinn einer Sammelbestellung ;)

Ich hab mal eine Platine entworfen, die genauso groß ist wie die SATA-Adapterplatine:
versuch5_platine5fp1.jpg
Die 2 Befestigungslöcher sind auch auf den Adapter abgestimmt, also könnte man die beiden huckepack montieren, um Platz zu sparen und den Kabelsalat zu verringern.

Bei 24 Stück Abnahme würde eine 6,70€ kosten...

So, ich hab jetzt mal ein Layout mit Einstelltrimmern entworfen:
version1.6_platineaamh.jpg

Und eine neue Teileliste, Bauteilkosten: 1,96€.
Bei einigen Teilen gibts sogar Mengenrabatt...

Insgesamt würden sich die Kosten also belaufen auf:
- 6,70€ für Platine inkl. Versand zu mir
- 2,00€ für Bauteile inkl. Versand zu mir
- 4,20€ für SATA-Adapter inkl. Versand zu mir

Gesamt: 12,90€/Stück + Versand bei 24 Stück Abnahme.

Also, wen es interessiert kann sich ja melden. :d
Übrigens wird die Platine umso billiger, je mehr es werden... ;)

Also, ich hab jetzt mal ein bisschen gemessen:
Die Platine ist von der Unterseite bis zum höchsten Punkt knapp 10mm hoch.
Von der Oberseite des SATA-Adapters bis zum höchsten Punkt einer WD10EADS sind es 18mm.
Von der Unterseite des Steckers (der in die Platte kommt) bis zur Oberseite des SATA-Adapters sind es 11mm.
Damit passt das Sandwich locker (mit 3mm Luft) in einen 3,5''-Schacht.

Hier die versprochene kleine Skizze...
abmessungen1kb1.jpg

Keine Ahnung was die Hersteller da für LEDs verbaut haben, aber mit 180 Ohm Vorwiderstand leuchten sie schön angenehm. Nicht so wie manch andere, bei denen man im dunklen Zimmer noch lesen kann... :fresse:

Was du genau mit "GND Schleife" meinst, weiß ich leider nicht genau, und google spuckt nur Seiten aus die sich mit den Problemen von Masseschleifen befassen. Also wohl nicht wirklich das richtige... :rolleyes:
Könntest du da bitte noch etwas genauer werden?

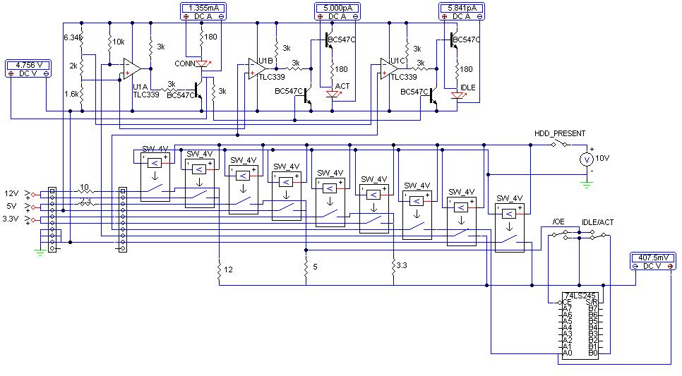
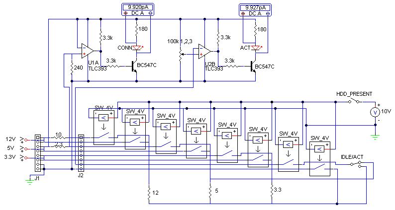
Ich hab jetzt noch mal ein bisschen getüftelt, und das ist dabei rausgekommen:
version1.7_schema_ohnezx95.jpgversion1.7_schema_mit_izvc.jpgversion1.7_schema_mit_o9p5.jpg

Links unten ist eine vereinfachte Version der Adapterplatine.
Das monströse Gebilde rechts unten soll die Festplatte darstellen.
Die meisten Teile sind spannungsgesteuerte Schalter, die das Ein-und Ausstecken der Platte mit Hilfe des "HDD_PRESENT"-Schalters und einer Hilfsspannung simulieren.
Mit dem "IDLE/ACT"-Schalter kann man Zugriffe auf die Platte simulieren. Vielleicht bastel ich da noch einen Tristate-Ausgang hin, aber dafür hatte ich jetzt echt keinen Nerv mehr... :d

Die eigentliche Schaltung ist im oberen Teil.
Der ACTIVITY-Teil ist rechts. Das Signal von Pin 11 gelangt nun direkt und ohne Spannungsteiler auf den Komparator, die Referenzspannung für Low-Pegel ist auf 0,8V eingestellt.
Links ist der neu designte CONNECTION-Teil. Auf der Platine befinden sich zwei Widerstände in den 3,3V und 5V Leitungen, mit dem im 5V-Zweig baue ich einen Spannungsteiler, dessen Ausgang in den Komparator führt. Referenz ist hier die Versorgungsspannung.

In der Simulation mit CircuitLogix funktioniert zumindest schon mal alles, wie es in echt mit Übergangswiderständen etc. aussieht muss ich beizeiten noch testen.
Vor allem beim CONNECTION-Teil bin ich mir noch gar nicht sicher, ob die Differenzspannung wirklich so zum sauberen Ansteuern geeignet ist, wie ich mir das gedacht habe... :hmm:

Was meinst du? Sieht das schon mal besser aus?

btw: Woher kennst du dich denn so mit der Materie aus? Machst du das beruflich?

Moin,

In Deinem HDD-Simulator hast Du 3 Last-Widerstände drin. Wenn Du das so bauen willst, dran denken, dass da 1 Amp pro Widerstand drüber läuft, also 12Watt, 5 Watt bzw. 3,3Watt Verlustleistung auftreten, die der Widerstand aushalten können muss. Und dann werden die Dinger verdammt heiss ;-)

Die Idee mit dem Spannungsabfall über Serienwiderstände hab ich mir auch überlegt, aber bitte nicht mit 10 oder gar 23 Ohm. Da fliesst Strom und bei der Größe hast Du dann einen nicht unerheblichen Spannungsabfall. Current Sense Widerstände sollten maximal 0,05 Ohm, also 50 mOhm haben.

Die Strommessung habe ich deshalb auch verworfen, weil der Aufwand zu gross ist. Da muss dann ein guter Präzisionwiderstand (10mOhm 1%) her mit entsprechender Auswertung. Zu teuer für sowas.

GND-Schleife:
Der Power Stecker hat 5 GND Kontakte, die per Pin 1 Amp tragen können. Schaut man sich den Strombedarf aktueller Platten an bei 5V und 12V, liegt der selten über 15 Watt. Davon entfallen gut 2/3 auf 12V, der Rest auf 5V. Also 1 Amp auf 12V und 1 Amp auf 5V.
Man könnte also einen der GND Pins missbrauchen, indem man ihn vom Netzteil trennt und stattdessen als Ausgang aus der Platte missbraucht. Die GND-Schleife stellt dasnn die Platte her, da dort alle GND Pins zusammengeschaltet sind. Belegt man den betreffenden Pin dann aussen mit einem Pull-Up 10K auf 5V, zieht eine eingesteckte Platte diesen Pin auf GND. Da kann man dann eine LED anschliessen, die anzeigt, dass die Platte drinsteckt.

Oder man schaut einfach, wie in Deiner ursprünglichen Lösung nach, ob der Pin11 auf >0,8 Volt gezogen wird. Dann kann man ACT und CON entweder über zwei Dioden zusammen auf die Connection LED legen, oder man steuert damit eine zweifarbige LED an, wo man dann entweder Rot oder Grün anzeigen lassen kann.


"Woher kennst du dich denn so mit der Materie aus? Machst du das beruflich? "

Ja, Hardware Entwicklung seit 20 Jahren, angefangen beim 286er ...

sata_ledruew.jpg

Ja, leider gibt es den SATA-Powerstecker nicht einzeln, der fehlt noch in der Spec...
Und zerdremelte Stecker und Buchsen hätte ich auch nicht mehr aufgelötet, sondern ein kurzes Verlängerungskabel zusammengelötet, bei dem die benötigten Pins einzeln herausgeführt werden. Aber das sieht schon sehr nach Pfusch aus, und die teuren Connectoren dafür verhackstücken... :d

Das Problem mit den Zwischenstegen in den 5,25'' Schächten kenne ich selber nur zu gut, ich hab selber so einen Festplattenkäfig für meine internen Platten, bei dem ich die Seitenwände "etwas" bearbeiten musste, dass sie am Ende so aussahen. Den gabs damals nämlich noch nicht...
Die Konstrukteure die die Stege so dezent ignoriert haben, haben wohl noch nie versucht, so eine Fehlkonstuktion in diverse Standardgehäuse einzubauen. :motz:

Falls ich alles inkl. aller Steckverbinder auf eine Platine plazieren werde, kommt plattenseitig auf jeden Fall ein SAS-Connector hin.
Und leitungsseitig müsste ich suchen ob ich einen SATA- und einen SAS-Connector finde, die pad- und bohrungsmäßig übereinstimmen, damit sie dann je nach Anforderung bestückt werden können.
Denn für SAS auf 2 SATA-Buchsen braucht man ja bestimmt auch wieder ein teures Spezialkabel...
Und es wäre vielleicht sogar ein bisschen Spec-gerechter.

Ein eigenes Backplane-System wäre bestimmt was feines, aber aufgrund der noch geringeren Nachfrage an so einem Bausatz wieder zu teuer. Genauso ein Port-Expander.
Aber reizen würde es mich jetzt schon irgendwie. :drool:

Und als nächstes Projekt kommt dann der Do-It-Yourself SATA und SAS RAID-Controller mit 48 Ports und PCI-E x16 Schnittstelle. :d

So, jetzt muss ich erst mal die Connectoren vergleichen und die Eagle-Packages basteln...

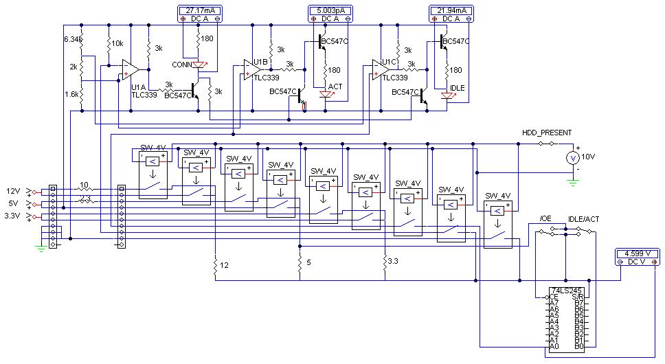
Edit: Hier mal mein neuester Entwurf.
version1.8_schema90hi.jpg
Die Ansteuerung über Pin 11 habe ich mal entsprechend mit einem Logikbaustein simuliert.
Es gibt jetzt 3 LED-Anschlüsse: CONNECTION, IDLE und ACTIVITY.
IDLE und ACT können über eine Duo-LED rot/grün mit gemeinsamer Kathode realisiert werden, deshalb muss hier 5V geschaltet werden.
Die zwei zusätzlichen Transistoren sollen sicherstellen, dass nur bei anliegendem CONN-Signal die beiden anderen LEDs leuchten können.
Hmm, langsam wirds eng auf der Platine...

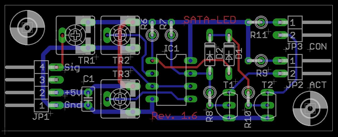
Bei den Steckern habe ich ja leider ein Problem: Der HDD-seitige Stecker muss auf der Platinenunterseite montiert werden, da ja sonst die gesamte Konstruktion nach unten über die Festplatte hinausragt. Ist bei dem China-Adapter ja auch so gelöst.
Und diese Stecker für die HDD-Seite sind die einzigen bei denen das der Fall ist. Außerdem sind sie untereinander austauschbar. Als weiteren Vorteil sehe ich, dass die Stecker etwas versenkt werden, wodurch die Platine vertikal nicht so hoch plaziert ist. Soweit ich das sehen kann ist das aber keine Gabelmontage, der Stecker wird senkrecht Richtung Pad-Seite eingesetzt und festgelötet.
Der kabelseitige Stecker ist mit Gabelmontage, wie auf dem China-Adapter auch.
Die HDD-seitigen Stecker sind zwar nicht ab Lager verfügbar, aber die Mindestbestellmenge ist jeweils 1 Stück, hab ich extra drauf geachtet.

Parallele Führung und gleiche Länge der Datenleitungen wollte ich sowieso machen, aber wie komme ich auf die 100Ohm Impedanz?
Ich hab hier mal was zum Thema gefunden, und ein bisschen mit den Formeln gespielt.
Das ist dabei rausgekommen:
impedanz_signalleitungadd2.jpg
Also müsste ich bei einem Pinabstand von 1,27mm die Leiterbahnen 0.95mm breit machen, kann das stimmen? :confused:
Bei dem China-Adapter sind sie nämlich viel dünner, so ca. 0,4 bis 0,5mm... :hmm:

Wegen dem Schaltungsproblem bin ich ehrlich gesagt ein bisschen verwirrt.
In der Simulation funktioniert doch alles wie gewünscht, ich hab ich noch mal ein paar Screenshots gemacht:
version1.8_schema_ohnej3m9.jpgversion1.8_schema_mit_d2iq.jpgversion1.8_schema_mit_j196.jpgversion1.8_schema_mit_y69q.jpg
Bild 1: Keine Platte angeschlossen
Bild 2: Platte angeschlossen, Pin 11 hochohmig
Bild 3: Platte angeschlossen, Pin 11 High (Idle)
Bild 4: Platte angeschlossen, Pin 11 Low (Activity)

Die Beschaltung der Komparatoren ist folgende:
U1A: "+" = ~0,8V, "-" = GND-Schleife über 10k Pullup
U1B: "+" = ~0,8V, "-" = Pin 11
U1C: "+" = Pin 11, "-" = ~1,8V

Wo ist mein Denkfehler?

Also das Bild, das ich vom dem China Adapter gesehen habe, hat einen Top Mount Stecker. Aber Du hast das Ding vor Dir ...

Das Thema Impendanz ist sehr komplex und ist von sehr vielen Faktoren abhängig, was beim verwendeten Material des Leiterplattenherstellers anfängt und beim Layout aufhört.

Ich habe schon vorl langer Zeit aufgehört, das zu berechnen. Das überlasse ich dem Layout Program, dem ich nur noch das Material vorgebe. Das rechnet dann und zeigt die erreichten Werte an und anschliessend wird korrigiert.

Ich gehe aber mal davon aus, dass die Chinesen sich bei der Länge von 3 cm eh keinen Kopf über Impendanzen gemacht haben ;-) Der Pin-Abstand spielt dabei übrigens fast gar keine Rolle. Du kannst die beiden Traces ja direkt nach dem Pin-Pad zusammenführen. Viel wichtiger ist hier eh die korrekte Einhaltung der Diffential Leitungslängen. Bei 3 cm fällt die Impendanz nicht so ins Gewicht, aber unterschiedliche Leitungsklängen erzeugen Laufzeitunterschiede und da wird es dann kitzlig, wenn das Auge nicht mehr symetrisch ist.

Das schaut dann so aus:
sata2_5adaptertrbl.jpg

Zur Schaltung:
Stimmt, mein Fehler. Allerdings zeigt Bild 1 1,35 mA an der Connection LED, die wird also zumindest glimmen. Das dürfte der Basisstrom sein, denn Du Dir über die Basis-Anschlüsse der beiden anderen Transistoren rechts unten einhandelst.

Ja richtig, auf dem China-Adapter ist ein Top-Mount Stecker. Aber der ist eben so gedreht dass er auf der Unterseite hängt. Und die meisten Stecker wären anders herum gedreht, so dass sie auf der Platinenoberseite sitzen.

Aber ein Bild sagt mehr als tausend Worte, so müssten sie sein:

pict0232cutrj8x.jpgpict0233cutb7i2.jpg
Ist natürlich praktisch wenn das Layoutprogramm so was kann, aber ich muss mich leider mit der Free-Version von Eagle herumschlagen. Aber du hast recht, auf den paar cm ist es wohl wirklich fast zu vernachlässigen, so lange man keine bösen Layoutfehler macht.
So wie in deinem Beispiel würde ich es dann wohl auch machen, danke für den Tip!

Gut dass die Schaltung doch stimmt :), ist aber zugegebenermaßen echt unübersichtlich geworden. Ich muss das Layout nämlich so weit möglich in die obere Bildschirmhälfte bringen, da während der Simulation so ein blödes Fenster mit einem Graphen in den Vordergrund poppt, der mir auf der unteren Hälfte alle Schalter, Gauges etc überdeckt.
Aber natürlich mache ich noch ein "richtiges" Layout.
Die 1,35mA sind mir gar nicht aufgefallen, du hast recht. Ich denke mal wenn ich den Vorwiderstand so auf 15k erhöhe sollten die Transistoren trotzdem noch sauber durchsteuern, und der Strom durch die LED würde auf knapp 300µA sinken. Damit sollte sie dann wohl ausbleiben hoffe ich.
Die Kollektoren der beiden Transistoren hab ich auch irgendwie falsch angeschlossen, eigentlich sollen die direkt an den Ausgang der Komparatoren... :rolleyes:

Mittlerweile bin ich aber von der Idee wieder abgerückt, alles auf eine Platine zu packen.
Die würde einfach zu groß werden... Entweder ich mache sie breiter, dann kann man sie nicht mehr für 2,5'' Platten verwenden. Oder ich lasse die Breite gleich, dann wird sie viel zu lang.

Am liebsten wäre mir ja von Anfang an ein Adapter gewesen, bei dem die Platine vertikal verläuft. Unten ein Stecker Richtung Platte, darüber einer Richtung Kabel, und neben den beiden zusätzlich noch ein Pin-Header für Spannung und Signale.
Sowas wäre wirklich kompakt, könnte für alle Platten mit SATA oder SAS verwendet werden, und man könnte die Platinchen auch auf eine Selbstbau-Backplane schrauben oder was einem sonst noch so einfallen könnte.
Die Steuerplatinen können irgendwo platzsparend oder versteckt montiert werden.

Aber leider machen mir wieder mal die Teile Probleme. :heul:
Es gibt zwar vertikale Buchsen für Richtung Festplatte sowohl in THT als auch SMD. Aber es gibt keinen einzigen vertikalen SATA-Stecker, nur SAS...

Gemeinheit, nie funktioniert es so wie ich es mir vorstelle...
Zuerst lassen sie in den Specs die 15-poligen Stecker und Buchsen mit Einzelpinkontakierung weg, und jetzt hat digikey die nötigen Stecker nicht. :-[

Vielleicht frag ich da mal an, ob die sowas in "humanen" Stückzahlen beschaffen können, aber ich fürchte mal eher nicht...

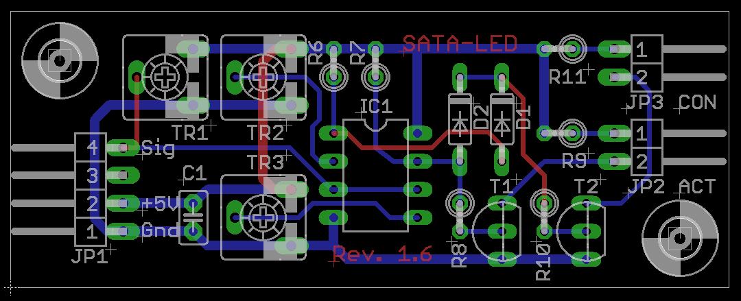
So, hier die versprochenen Bilder:

adapterplatine_schaltpmris.jpg
Schaltplan der Adapterplatine

adapterplatine_layout_jpt8.jpgadapterplatine_layout_nrpv.jpg
Layout der Adapterplatine, einmal die Lötseite (Richtung HDD) und einmal die Bestückungsseite (Richtung Kabel).
Abmessungen: 56x17mm, dadurch müsste der Adapter sogar klein genug für viele 2,5''-Platten sein.

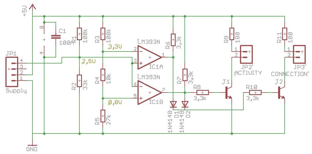
led-platine_v1.7_schalss1c.jpg
Schaltplan der LED-Platine mit 2 LEDs (Connection und Activity)

led-platine_v1.7_layouror5.jpg
Layout der LED-Platine
Abmessungen: 65x25mm, abgestimmt auf den Fertig-Adapter.
Das Layout hab ich sogar einseitig hinbekommen, also auch geeignet für Heimfertigung. Das entsprechende Layout gibts hier als TIFF mit 1200DPI.

Als kleines Schmankerl noch eine 3D-Ansicht:
led-platine_v1.7_3d_fey0l1.jpg
Beitrag automatisch zusammengeführt:

Die original auf abload gehosteten Bilder sind ab 1.7. Weg, deshalb der repost.
 

Anhänge

  • led-platine034d.jpg
    led-platine034d.jpg
    72,5 KB · Aufrufe: 100
  • versuch4_simut2g7.jpg
    versuch4_simut2g7.jpg
    172,9 KB · Aufrufe: 101
  • versuch4_schaltplang3pm.jpg
    versuch4_schaltplang3pm.jpg
    48,2 KB · Aufrufe: 101
  • versuch4_platinei5vj.jpg
    versuch4_platinei5vj.jpg
    74,4 KB · Aufrufe: 98
  • pict0202sffa.jpg
    pict0202sffa.jpg
    187,6 KB · Aufrufe: 96
  • pict0203iijz.jpg
    pict0203iijz.jpg
    201,3 KB · Aufrufe: 90
  • pict0204igot.jpg
    pict0204igot.jpg
    217,4 KB · Aufrufe: 86
  • adapterplatine27qw.jpg
    adapterplatine27qw.jpg
    85,4 KB · Aufrufe: 85
  • versuch5_platine5fp1.jpg
    versuch5_platine5fp1.jpg
    69,1 KB · Aufrufe: 87
  • version1.6_platineaamh.jpg
    version1.6_platineaamh.jpg
    76,8 KB · Aufrufe: 94
  • abmessungen1kb1.jpg
    abmessungen1kb1.jpg
    68,3 KB · Aufrufe: 100
Hardwareluxx setzt keine externen Werbe- und Tracking-Cookies ein. Auf unserer Webseite finden Sie nur noch Cookies nach berechtigtem Interesse (Art. 6 Abs. 1 Satz 1 lit. f DSGVO) oder eigene funktionelle Cookies. Durch die Nutzung unserer Webseite erklären Sie sich damit einverstanden, dass wir diese Cookies setzen. Mehr Informationen und Möglichkeiten zur Einstellung unserer Cookies finden Sie in unserer Datenschutzerklärung.


Zurück
Oben Unten refresh